Paso 4: Capa de seda



Ya que estamos haciendo cosas de la impresora, hice también una pantalla de seda. Se trata de todos los contornos del componente, denominaciones y valores para hacer un poco más fácil poner los componentes en los puntos.
Así que tenemos que crear una imagen para la pantalla de seda.
Eagle: En el editor de la Junta, hay un iconito llamado Display (Mostrar/Ocultar capas). En él, seleccione < ninguno > haga clic en estas capas:
17-pastillas
18-Vias
20-dimensiones
21 tPlace
25 tNames
27 tValues
Ahora, solo deben mostrarse la pantalla de seda y cojines.
Seleccione < archivo >< exportaciones >< imagen >
< monocromo >
600 DPI.
Estás en < > seleccione el directorio y archivo el nombre que le want,e.g., AudioSilk
Haga clic en < OK > Exportar como imagen.
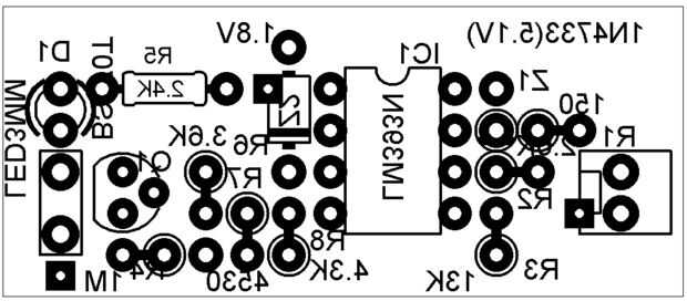
Vea la foto. Como antes, yo uso pintura para convertir de un PNG a un archivo JPEG. Otra vez te darás cuenta que es lo que desea impreso en blanco y necesidades a ser de color negro así que de nuevo tenemos que invertir. Así que lo que no es tan obvio es que desde la pantalla de seda va en el lado opuesto de los rastros es necesario voltear la imagen. Aquí es mi procedimiento.
Asegúrese de invertir y Flip:
Abre la imagen con PhotoShopElements
Cultivo de < imagen >< cultivo > < cheque > la cosecha por lo que no hay mucho espacio desperdiciado
< Seleccionar > todo
Negro < filtro >< ajustes >< invertir > hacer huellas en vez de blanco.
< imagen >< gire >< Flip Horizontal hace una imagen de espejo
< archivo >< guardar como >...
por ejemplo, AudioSilkINVFlip.jpg
Vea la foto. Algunos de ustedes pueden notar que no se trata de la misma Junta. Usted es correcto. Como las huellas, hice varias copias de una página.
Hacer múltiples copias:
Abra la imagen invertida con Photoshop Elements
Crear un nuevo archivo base, < archivo >< nuevo > 8 de anchura, altura 10.6 Resolución 600 píxeles
Haga clic en la imagen invertida de la seda, < seleccionar >< todo >< Edición >< copia >
Seleccione el archivo base, < Edit >< pasta >
Utilizar el ratón para seleccionar la herramienta mover, mover la imagen a la esquina superior izquierda
gomas de < Ctrl-V > repetir
Muestra de impresión, no te olvides de desmarque "Ajustar a página"
Utilice el mismo procedimiento para imprimir en una página brillante. Supongo que no tengo una foto de esto.