Matriz LED gafas: Primer prototipo (8 / 15 paso)

Paso 8: Diagramas esquemáticos:

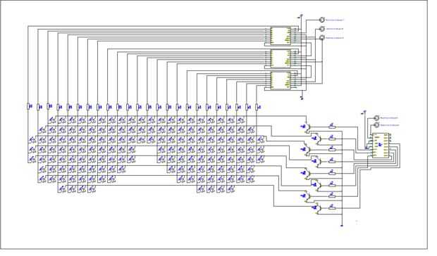
El primer esquema es el controlador de matriz. Esto permitirá que el Arduino controlar todos los 162 LEDs y con leves modificaciones hasta 192 LEDs. Si desea ver el esquema de la descarga de todo el sistema el PDF a continuación, como la imagen esta un poco pixelada.

Artículos Relacionados

Bluetooth control 4 X 4 matriz led usando un SPLat EC1 PLC

Bluetooth control 4 X 4 matriz led usando un SPLat EC1 PLC

Partes:Cautín y soldadurapedacitos de taladrotaladropedazo pequeño de maderaUn equipo que ejecuta SPLat/PC, el SPLat entorno de programación (IDE)cable trenzado sólidoCables de la Rúbrica femeninaSPLat EC1 1 PLCMódulo de puerto de serie de JY-MCU Blu
Zapata de la matriz LED para conexión roscada

Zapata de la matriz LED para conexión roscada

recientemente recogí una luz 60 LED de DealExtreme. Esta luz barata tiene ajustes de potencia es extremadamente portable y se puede cargar vía usb. Esta matriz de LED arroja mucha luz y son perfectas para la fotografía de la parte inferior de la matr
48 x 8 desplazamiento matriz LED DISPLAY con ARDUINO controlador

48 x 8 desplazamiento matriz LED DISPLAY con ARDUINO controlador

un monocromo pantalla de matriz de puntos LED (solo color) se utiliza para mostrar los caracteres y símbolos que es interfaz con un microcontrolador. Este proyecto será deliberar sobre mostrando un mensaje de texto desplazable en una pantalla de matr
Tonos de Ravez: La Asamblea del uno mismo LED gafas Kit.

Tonos de Ravez: La Asamblea del uno mismo LED gafas Kit.

Debido a la cantidad de interés en las gafas de Led que he creado y el flujo constante de mensajes pidiendo ayuda para hacerlas. Decidí hacer un kit de montaje del uno mismo que reduce la cantidad de trabajo que se requiere de usted para hacer su pro
Matriz LED proyecto usando cambio de micro registro y pic16f628a

Matriz LED proyecto usando cambio de micro registro y pic16f628a

esto es proyecto para mover palabras en pantalla de matriz de ledutilizamos1-pic16f628a como microcontrolador: barato, 2k de memoria de programa, tiene oscillatror interna, dos puertos A, B y un montón de cosas.2-led matriz 8 * 8 filas de ánodo común
Matriz Led de 8 x 16 (Pantalla Led Programable)

Matriz Led de 8 x 16 (Pantalla Led Programable)

Materiales1/2 Hoja de Acrilico de 1/41 aerosol de pintura negra base primer1 aerosol de pintura negra1 kola Loka (pegamento liquido)128 Led rojos1 Rollo de estaño24 macho jumpers - machoMacho de 29 puentes - hembra3 soluciones de 6 hilos (flex)1 Memb
PI cero IOT matriz Led proyector-un mensaje en la pared

PI cero IOT matriz Led proyector-un mensaje en la pared

Cuando vi esta lámpara para niños, no tuvo otra opción, tuve que comprarlo y la óptica de esta lámpara es perfecta para este hack...El resultado es un proyector Led de matriz que puede mostrar mensajes y fotos desde Internet a la pared. Creo que desp
FUTURISTA RETRO ILUMINADO LED GAFAS

FUTURISTA RETRO ILUMINADO LED GAFAS

FROM MEXICO, THIS IS MY FIRST INSTRUCTABLES HOPE YOU LIKE AND COMENT I STARTED TO TAKE TE PICS AT THE MIDLE OF THE PROJECT CAUSE IT IS SUPOSED TO BE JUST A PROTOTIPE . HE USADO ALGUNAS IDEAS DE OTRAS PERSONAS EN ESTA PÁGINA. UTILICÉ ESTOS MATERIALES:
(Delo$ tuder) Fabricante del fillament para Impresora 3d en barata el (primer prototipo de trabajo)

(Delo$ tuder) Fabricante del fillament para Impresora 3d en barata el (primer prototipo de trabajo)

crear su propio filamento Impresora 3d en casa sin partes especiales / componente / herramientas necesarias.utilizando material básico / común que cerca de usted.Estoy construyendo este solo tardan menos de un día, pero con algunos ajustes y afinació
Matriz led de 2 x 2

Matriz led de 2 x 2

Aparato requerido:1 UNO DE X ARDUINO4 x LED1 X PLACAALGUNA CONEXIÓN DE CABLES DE RESISTENCIA OHMIOS 4 X 200Paso 1: construcción:Paso 1: Conectar 4 led en conexión en paraleloPaso 2: Conectar 4 resistencia en el ánodoPaso 3: Cargar programa dada abajo
Matriz de LED con cambio de registros

Matriz de LED con cambio de registros

este instructable pretende ser una explicación más completa que otros disponibles en línea. En particular, esto le dará más explicación de hardware que está disponible en la marquesina de LED instructable por led555.ObjetivosEste instructable present
Daft Punk LED matriz Breakout Junta

Daft Punk LED matriz Breakout Junta

siempre me ha impresionado por la Daft Punk mesa.  Ser capaces de iluminar un montón de LEDs y flash en patrones tiene tantas aplicaciones.  Fue una de las razones por qué compré un Arduino viendo cómo podría controlar una matriz de LEDs.Este es mi i
Matriz de LED de 32 x 32

Matriz de LED de 32 x 32

Construir una matriz de LED de 32 x 32 usando un microcontrolador Atmega2560.  El proyecto contiene los pasos para construir el tablero matriz, el PCB y el software (escrito en C++).  El software contiene más de 30 animaciones, un RTC (reloj en tiemp
Matriz de LED Arduino

Matriz de LED Arduino

En este breve tutorial aprenderás cómo hacer una matriz de LED Arduino powered. A diferencia de otros diseños, éste utiliza un ordenador de "compañero" para notificar a Arduino que LEDs deben ser alimentados.He proporcionado el código para el Ar