Paso 10: DAC










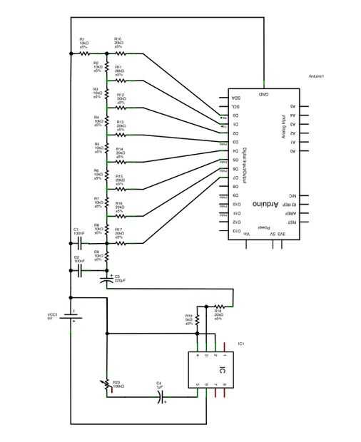
La escala de resistencia para este proyecto es un DAC de 8 bits. Como se puede ver en el esquema, Arduino PORT D (pines digitales 0-7) había salida 8 pedazos de datos (uno de cada pin) que se envían a cada cruce de la DAC. Soldó estas resistencias en un pedazo de cobre plateado protoboard que cortar a tamaño.
He añadido dos 0.1uF condensadores al final de la escala de resistencia para actuar como un bajo filtro de paso. Este tipo de filtro será eliminar las frecuencias más altas causadas por las bajas (8khz) velocidad del audio de muestreo y suavizar la forma de onda. Usted puede cambiar los valores de estos capacitores dependiendo de lo que te gusta.
Hay 10 conexiones a la DAC, 8 pines de entrada digitales de arduino, salida de audio y tierra. El cable verde en la figura 6 es salida de audio, este cable se conectará al amplificador en el paso siguiente. Usted puede encontrar el archivo fritzing abajo.