Paso 2: Botones de alambre














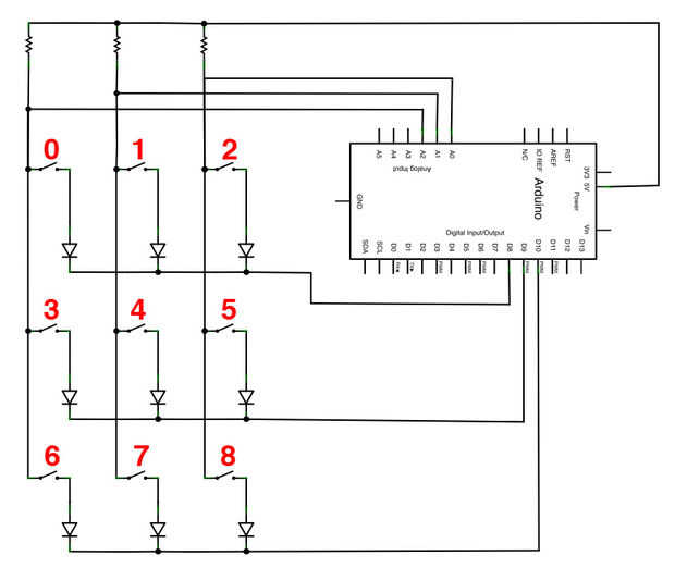
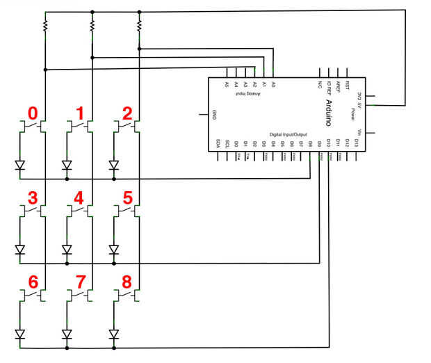
Como se muestra en la figuras 11 y 12, multiplexado botones están conectados tal que cada botón comparte una ventaja común con todos los botones en su fila, y comparte el otro cable con todos los botones en la columna. De esta manera podemos utilizar la arduino a tierra una fila de botones a la vez (Arduino D8, D9, D10) y comprobar si alguna de las columnas están anclados mediante la medición de la tensión de A0, A1 y A2. Esencialmente, miden los Estados de los botones por fila. Puesto que el Arduino es muy rápido, no seremos capaces de decirle a una diferencia en el tiempo de respuesta de los botones cuando están multiplexados vs si habíamos dedicado una entrada de pin a cada botón.
Multiplexación de botones traer algunas complicaciones. Puesto que la corriente puede fluir en ambas direcciones a través de un botón, si se oprime dos botones al mismo tiempo, puede fluir corriente a través del circuito de manera que no tiene la intención y nos hacen pensar que están deprimidos los cuatro botones. Para prevenir esto, cada botón está conectada a un diodo, asegurando siempre la corriente pasa a través de los botones en una sola dirección.
Botones funcionan de la misma manera como interruptores, cierran un circuito abierto. La mayoría de botones tiene dos conductores (Figura 9), pero algunos (como las que usé) tienen cuatro conductores porque cada lado del interruptor se divide en dos conductores separados. Comparando las figuras 9 y 10, se puede ver que ambos tipos de botones son esencialmente lo mismo, pero si utilizas los botones cuatro cable, asegúrese de comprobar las especificaciones para localizar dos cables que no están conectados entre sí.
Soldar un diodo a un lado de cada interruptor, asegúrese de que el "-" final (generalmente se indica con una raya) es hacia el interruptor. Soldar un cable (preferiblemente negro) al otro extremo del diodo y un cable (preferiblemente rojo) al otro lado del interruptor. Hacer esto para todos los nueve conmutadores. Usted puede encontrar necesario uso pegamento, cinta aislante o del encogimiento del calor para reforzar/proteger estas conexiones.
Una vez soldado, montar cada botón en el recinto del proyecto.
Puede encontrar los archivos de fritzing para botones de 2 hilos y 4-plomo multiplexación por debajo.