Instrumento electrónico (6 / 22 paso)

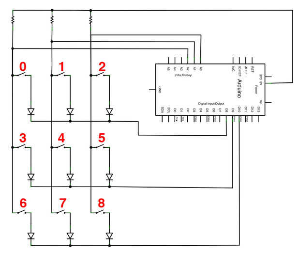
Paso 6: Cable botones arduino shield - parte 3

De la soldadura de los cables negros (el cable conectado al diodo) de los botones a la protoboard.  La soldadura de los cables de los botones 0, 1 y 2 con digital pin 8 botones 3, 4 y 5 con el pin digital 9, botones y 6, 7 y 8 con el pin digital 10.  Clip el exceso de cable de cada una de estas conexiones y todo el togther de puntos adyacentes en la parte inferior de la proto-escudo de la soldadura (ver figura 2).  Cada uno de los botones debe ahora ser eléctricamente conectado a uno de los pines digitales.

Fritzing y 2- y 4 diagramas vienen aquí, otra vez.

Artículos Relacionados

Cómo construir un Luzboard (instrumento electrónico)

Cómo construir un Luzboard (instrumento electrónico)

este es un instrumento electrónico que jugó de manera similar a un teclado con algunos divertidos efectos. Un sensor de luz está conectado a la computadora que controla la madera (sonido) de las parcelas. Se puede jugar una escala cromática de C a C
Crear instrumentos electrónicos interactivos con MaxMSP

Crear instrumentos electrónicos interactivos con MaxMSP

Este Instructable es parte 3 de una introducción a la serie de MaxMSP acabo de terminar enseñanza Audio la misión femenina en San Francisco. Parte 1 es una introducción a MIDI y MaxMSP, parte 2 es intermedio máximo y Audio y este Instructable es todo
Equipo Rack de 19" para los instrumentos electrónicos

Equipo Rack de 19" para los instrumentos electrónicos

Para el almacenamiento y uso no hay nada mejor que un rollo alrededor de montaje sistema de Rack para electrónica. Están disponibles comercialmente en metal para cientos de dólares. Uno de los temas con estos es su equipo necesita oídos para montaje
Zumbador electrónico de aire

Zumbador electrónico de aire

El zumbador de aire electrónico es un instrumento electrónico donde la distancia de la mano de la Mesa decide el tono a jugarse por el zumbador.Paso 1: MediaTek LinkIt unoAcabo de recibir mi LinkIt uno, que es un micro controlador que incluye todo (G
Instrumento musical electrónico Piolin

Instrumento musical electrónico Piolin

¡ Hola! John de Coventry Makerspace aquí! Cuando estábamos amablemente dado cinco Pis de frambuesa por Instructables, surgió la idea de usar uno para crear un instrumento musical único. Utilizando algunas de salvamento de madera y componentes eléctri
Protección universal (robo) de equipos electrónicos o coches con interruptor invisible

Protección universal (robo) de equipos electrónicos o coches con interruptor invisible

te voy a mostrar cómo puede utilizar un interruptor de láminas como universal de protección de equipos electrónicos o coches. Todo lo que necesitas es un reed switch y un imán. Para los coches necesita un relé de potencia para aumentar la capacidad d
Frambuesa Pi control control de temperatura con Gnuplot imagen salida y correo electrónico alerta la capacidad de

Frambuesa Pi control control de temperatura con Gnuplot imagen salida y correo electrónico alerta la capacidad de

donde trabajo, hay una sala muy importante que alberga gran cantidad de equipos. La temperatura ambiente de esta habitación ha de ser muy cool para optimizar el rendimiento de estos sistemas.Me pidieron para idear un sistema de vigilancia que tiene l
Paquete de sistema de alerta (mediante correo electrónico)

Paquete de sistema de alerta (mediante correo electrónico)

FONDO y generación de una IDEA / /Si trabajas en una oficina pequeña, tal vez tiene algunos de los mismos problemas que tenemos. Una de las cosas frustrantes que se produce cada vez que realizo el pedido de un paquete es un retraso entre cuando llega
Como hacer un metrónomo electrónico

Como hacer un metrónomo electrónico

en este Instructables construiremos y metrónomo electrónico usando componentes electrónicos simples encontrados en cualquier tienda de electrónica y herramientas que usted probablle ya.Antes de empezar a hacer uno, permite la respuesta algunas pregun
Partículas fundamentales: Enviar un correo electrónico cuando se detecta movimiento

Partículas fundamentales: Enviar un correo electrónico cuando se detecta movimiento

Este instructable es parte de una serie de instrucatbles, y si estás siguiendo la serie en el instrucatble pasado veíamos cómo hacer un sensor de movimiento a internet usando un núcleo de partículas. En este instructable voy a mostrar cómo ese circui
E-Cig Hack - más grande, más fácil Hits para cigarrillos electrónicos

E-Cig Hack - más grande, más fácil Hits para cigarrillos electrónicos

han disfrutado de los beneficios de la más sana 'fumar' con los cigarrillos electrónicos por un tiempo ahora, pero se frustró con la limitada capacidad de éxitosa de los cartuchos estándar, baratos.  El pequeño orificio en el extremo del filtro sólo
Órgano electrónico

Órgano electrónico

este proyecto se basa en el circuito de temporizador IC555 que es capaz de proporcionar el conjunto de notas musicales:, RE, MI,... Y con la ayuda de algunos componentes y dispositivos esenciales, se puede hacer el proyecto.   El circuito es básicame
Simple Piano electrónico con temporizador 555 en caja de CD

Simple Piano electrónico con temporizador 555 en caja de CD

en este instructable, le mostraré cómo hacer un simple piano electrónico con componentes comunes. Utiliza condensadores y resistencias, por lo que fácilmente podría modificar el circuito. Cuando el proyecto haya finalizado tendrás un circuito sencill
Construir su propia interfaz de Sampler electrónico para Ableton

Construir su propia interfaz de Sampler electrónico para Ableton

Hola. Actualmente soy un estudiante de tecnología de música de segundo año. El objetivo de este proyecto fue diseñar un nuevo instrumento de alguna forma.En definitiva, es una interfaz electrónica y se puede volver a asignar una variedad de propósito