




Lista de partes:
(x1) Arduino Uno (Duemilanove está bien, pero asegúrese de que está ATMEL328P) Radioshack #276-128
(x1) Arduino ProtoShield Radioshack #276-140
(x1) Tablero de PC con cobre Radioshack #276-147
(x9) Alta interruptor de tacto Radioshack #275-002 (me gustó la sensación de estos botones, pero sólo viene en versión montaje en superficie, que los hace bastante difíciles de soldar debido a los plomos pequeños. Además, puesto que estos botones son cuadrados es más difícil hacer un agujero para ellos en un recinto. Si usted es un principiante, usted quizás desee utilizar un tipo distinto de botón, cualquiera de estos interruptores momentáneos funcionará)
(x1) 10KOhm potenciómetro de Control de Audio con interruptor SPST Radioshack #271-215 (este se utilizará para controlar el volumen y apagar el dispositivo de encendido/apagado)
(x1) 50 K ohmios potenciómetro Linear Taper Radioshack #271-1716
(x2) 220µF 35V 20% condensador electrolítico Radial-plomo (o cualquier cosa entre 200 y 300 uF) Radioshack #272-1029
(x2) SPST Submini PC aumentable interruptor Radioshack #275-645
(x2) Plata tono estrías perilla (o cualquiera de las perillas con diámetro interno de 0,25") Radioshack #274-424
(x9) 1N914, 4148-tipo diodo (dos paquetes) Radioshack #276-1122
(x3) 2 K ohm 1/2W 5% Resistor de película de carbón (1 paquete)
(x10) 10 K ohmios 1/4 Watt resistencias de película de carbón (2 paquetes) Radioshack #271-1335
(x8) 20 K ohmios 1/4 Watt resistencias de película de carbón (2 paquetes)
(x1) K 4,7 ohmios 1/4 Watt de resistencia de película de carbono Radioshack #271-1330
(x1) 1 K ohmios 1/4 Watt de resistencia de película de carbono Radioshack #271-1321
(x1) 5 K ohmios 1/4 Watt resistencias de película de carbón
(x1) 9V pila alcalina Radioshack #23-853
(x1) 9V resistente conectores Snap Radioshack #270-324
(x1) Ámbar Super brillante LED indicador Radioshack #55050630
(x1) Blanco Super brillante LED indicador Radioshack #55050633
(x1) 1/8" estéreo en línea Jack de Audio Radioshack #274-274
(x1) LM386 Baja tensión potencia de Audio Amplificador (8-Pin DIP) Radioshack 276-1731
(1 x) 8 pines zócalo 276-1995 Radioshack 276-1995
Materiales adicionales:
Calibre 22 cable Radioshack #278-1224
Soldadura de Radioshack #64-013
taladro
madera contrachapada
Acabado poliuretano
papel de lija
pegamento caliente
pegamento estupendo
cuatro tornillos para madera
Calor Shrink Wrap Radioshack #278-1610
Cinta aislante Radioshack #64-2375
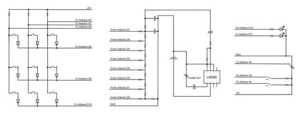
He incluido diagramas de protoboard fritzing (divididos en algunas partes) y esquemas de este proyecto, así como todos los firmware. Puede encontrar estos documentos en todo el cuerpo de este instructable o descargarlos todos en un archivo zip a continuación.