Paso 6: Construir la electrónica


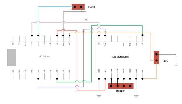
La primera figura muestra el circuito de electrónica que necesita construir. Voy a explicar las razones de las partes particular escogido por supuesto pueden utilizar diferentes partes y conseguir los mismos resultados.
SilentStepStick
Le expliqué, en el paso de piezas, en gran medida, la razón elegí el SilentStepStick como el controlador de motor paso a paso--operación verdaderamente silenciosa. Probablemente no creerlo a menos que usted intente. Admito no probé otro conductor, y otros podrían funcionar bien para esta aplicación en su mayoría poco exigente.
El controlador viene en forma de un tablero de arranque para el chip con la inteligencia, además de algunos jefes masculinos. Debe soldar los encabezados en el tablero de arranque. Asegúrese de que leer la documentación sobre la orientación de la Junta Directiva y la configuración predeterminada antes de realizar la soldadura.
Chip A-Star 32U4 Micro
También expliqué, en el paso de piezas, un poco sobre la elección del Micro 32U4 Pololu A-Star. He mencionado el costo relativamente bajo; Hay sin duda más baratos controladores Arduino, pero muchos vienen con cuestionable calidad/vida y un montón de problemas "sólo consigue a parpadear"; Odio las molestias. Por ejemplo, un criterio importante para mí, pero tal vez nadie más, es el USB incorporado, como Leonardo, capacidad; hace programación y depuración mucho más fácil. El Micro también tiene un regulador de voltaje incorporado que puede abastecer las necesidades de sí mismo y la SilentStepStick. Por último, se pueden utilizar el estándar IDE de Arduino y tal vez otros.
El controlador viene en una pequeña placa de circuito, además de algunos jefes masculinos. Debe soldar los encabezados en el tablero.
Placa de circuito
Elegí la Junta Adafruit principalmente debido a su tamaño. La Conectividad del protoboard como reduce la cantidad de soldadura necesaria para las conexiones. Se puede obtener el SilentStepStick y el A-Star en él y todavía tienes espacio para headers conectar el interruptor, motor paso a paso y poder. Encaja perfectamente con las piezas Actobotics, incluso los orificios de montaje. Por supuesto, puede utilizar un tablero diferente.
Como se describe en el paso de piezas, decidí utilizar encabezados por todo. Hay un par de razones. En primer lugar, quería ser capaz de reemplazar las partes más importantes de la electrónica, es decir, el SilentStepStick y el A-Star, si algo les pasara. También quería fácilmente salvar para su uso en otros proyectos si es necesario. Encabezados también eliminan la posibilidad de quemar las piezas caras mientras se suelda a la placa. Sin embargo, los encabezados de un poco más de trabajo y en el espacio extra requerido. Por lo tanto, puede montar las piezas directamente en el tablero. La caja para el interruptor, motor paso a paso y poder es un poco más simple; es mucho más fácil hacer todas las conexiones necesarias y obtener la longitud mínima de cableado y ponerlo todo junto si puede ser independientes de la placa de circuito.
La segunda figura muestra las ubicaciones en el circuito de la SilentStepStick, el A-Star y encabezados del interruptor, motor paso a paso y poder. Para construir el tablero como se muestra
- Tenga en cuenta que el interruptor es en la "fila 1" y abarca columnas 5 y 6. Debe cortar la traza de cobre en columna 5 en la parte posterior de la junta entre la "fila 1" y "fila 2". Columna 6 está conectado a tierra del sistema. Columna 5 es + 5 v producida por el A-Star. Esto significa que sin la modificación, presionar que el interruptor se corta + 5V a tierra-- no es bueno! Corte de la traza de cobre asegura que no pasa.
- Soldadura hembra encabezados por el SilentStepStick y el A-Star. Tenga en cuenta muy cuidadosamente la ubicación de estas piezas en el tablero. Utilicé una sola pieza contigua de cabecera a cada lado del bus de energía y tierra, pero sólo porque tengo pereza. Te recomiendo los cabezales de corte a la longitud correcta para cada parte (8 pines y 10 pines respectivamente), dejando un espacio entre ellos.
- La soldadura hembra encabezados para el interruptor (2 pernos), motor paso a paso (4 pines) y energía (2 pernos). Una vez más, tenga cuidado con las ubicaciones de estos encabezados en el tablero.
- Realizar las conexiones, que se muestra en la primera figura, entre el SilentStepStick y el A-Star y entre las partes y los encabezados de la energía, interruptor y motor paso a paso. Soldar alambre de conexión en la parte inferior de la Junta, pero es razonable colocar alambre a ambos lados de la Junta. Nota: conectado el + conector de alimentación de 12 VCC y tierra a los respectivos carriles positiva/negativa en el circuito; Esto hace mucho más fácil hacer las conexiones a tierra múltiples y dos conexiones de 12VDC. IMPORTANTE: Asegúrese de que ningún cableado extiende más de 1/8" sobre la parte posterior de la Junta para que (en un paso posterior) pueden montarse sobre un soporte de canal usando a espaciadores de 1/8".
Interruptor
El interruptor de montaje en panel pulsador es apenas un interruptor razonablemente barato pero altamente disponible. Específicamente elegí un panel de montaje tipo porque quería que sea fácil de usar. También no quería montar en la placa, ya que sería muy difícil de utilizar. He encontrado este interruptor particular atractivo con su botón rojo grande. Todo lo que dijo, podrían utilizarse un switch diferente y la técnica de montaje.
Para la posición de interruptor y montaje elegí
- Cortar dos trozos de alambre de conexión sobre cerca de 3" de largo y uno de los extremos de cada uno en las lengüetas del interruptor de la soldadura. Usé dos colores diferentes para el cable, pero no importa.
- Corte dos pedazos de 1/16" calor diámetro encogen alrededor 1/2" de largo y ponen uno en cada cable.
- Soldar los dos hilos a la parte corta de un disidente encabezado masculino dos pines.
- Deslice los dos pedazos de encogimiento de calor sobre el alambre en las patillas de la cabecera y los de encogimiento. Descubrí que un pelo secador de obras grandes cuando la tubería del encogimiento del encogimiento de calor.
Energía
Me decidí a tener una potencia un poco "modular" capacidad de suministro. Fuentes de alimentación de pared CC comunes tienen 2.1 x 5.5 mm barril conectores. Mi primer plan era poner un conector hembra en el circuito, pero no hay suficiente espacio. Además, la alimentación la alimentación que he comprado a través del orificio de 1/2" en el canal resultó imposible. Especie de me topé en la idea de una cola de cerdo. Ofrece varias ventajas: permite el uso de pernos de cabecera, se desliza fácilmente a través de los agujeros de 1/2", es más flexible. Por lo tanto, creo que la cola de cerdo es una buena idea. Sin embargo, utilizado parece menos que una opción estelar: el alambre es un manómetro de alta (por lo menos 24 y tal vez más), pero adecuada; el aislamiento es muy espeso y gomoso, lo que hace difícil pelar fácilmente sin cortar el cable; el aislamiento también es muy suave y no podría hacer frente a mucho roce contra las piezas de metal (tho esto no debería ser un problema para el reloj). En cualquier caso es ciertamente posible desarrollar una capacidad de la fuente de energía diferente y aún mejor.
Para montar la cola de cerdo de la energía
- Cortar la cola de cerdo a cerca de 9" de largo, incluyendo el conector de barril.
- Soldadura de aproximadamente 2 1/4" del alambre de conexión a los cables rojos y negros de la cola de cerdo. Aunque no es necesario, he utilizado cable de conexión rojo y negro para diferenciar fácilmente entre + 12V y masa.
- Corte dos pedazos de 1/16" calor encogen aproximadamente 3/4" de largo y ponen uno en cada cable. Cubrir la conexión soldada con el encogimiento del calor y del encogimiento Tenga en cuenta que 1/16" no cabrá sobre el aislamiento de cola de cerdo. Usé de encogimiento de calor rojo y negro.
- Cortar dos piezas de 3/32" encogimiento del calor de aproximadamente 1/2" de largo y posición de cada uno para que sea la mitad en el aislamiento de cola de cerdo y mitad en el primera del encogimiento del calor; reducirlo. Usé de encogimiento de calor rojo y negro.
- Corte dos pedazos de 1/16" calor diámetro encogen alrededor 1/2" de largo y ponen uno en cada cable de conexión.
- Soldar los dos hilos a la parte corta de un dos pin breakaway ángulo recto masculino encabezado.
- Deslice los dos pedazos de encogimiento de calor sobre el alambre en las patillas de la cabecera y los de encogimiento.
Motor paso a paso
El motor que usé tiene los cables negro, verdes, azul y rojos. En base a la documentación SilentStepStick, conecté los cables al M1B, M1A, M2A, M2B pasadores, respectivamente, en el controlador. Si usa un motor diferente, puede ver diferentes colores.
Para preparar el motor para la conexión
- Corte los cables del motor a aproximadamente 5 1/2" de largo.
- Corte cuatro piezas de 1/16" calor encogen aproximadamente 3/8" de largo y deslizan sobre los cuatro cables. He utilizado del encogimiento del calor con los colores correspondientes.
- Soldar los cables a una franja de disidente encabezado macho de 4 pines. Poner el cable negro en un extremo de la tira, luego en orden, los cables verde, azul y rojo.
- Deslice el encogimiento del calor piezas sobre el alambre en las patillas de la cabecera y los de encogimiento.
Verificación
Se deben verificar todos los trabajos de conexión por encima:
- Use un ohmiómetro para verificar todas las conexiones deseadas en el circuito y tal vez lo más importante, compruebe si las conexiones no deseadas.
- Uso un medidor para comprobar todos los cables cortos o malos empalmes de la soldadura.
- Use un ohmiómetro para verificar que la cola de cerdo ofrece 12VDC cuando se conecta a la fuente de alimentación.
Se debe verificar que el A-Star funciona correctamente:
- Conecte su conexión USB al ordenador y descargar el ubicuo bosquejo de parpadear . Puede hacer esto primero con un protoboard real para que nada interfiere.
- Instalar el A-Star en la placa, con o sin la conexión de USB y enchufe 12VDC para que parpadee todavía funciona.
Debe hacer alguna configuración inicial de la SilentStepStick antes de que usted realmente conduce el motor paso a paso. Debe configurar el motor máximo actual según las instrucciones para la SilentStepStick. En efecto al hacerlo verifica trabajos a la medida de lo posible antes de realmente conducir el motor.
Todo lo demás debe esperar a descargar el software de reloj para el A-Star.