Paso 2: 'Casa sola' construir el controlador




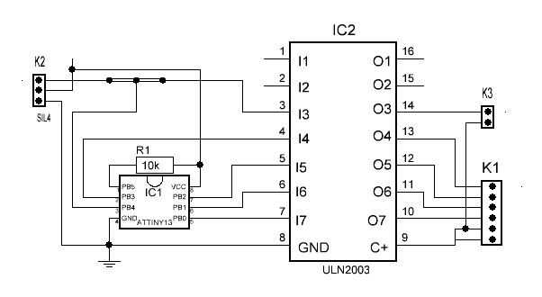
El controlador es un Attiny13, unido a un ULN2003. Aunque en mi versión he utilizado clavijas un poco más para hacer más flexible para otros proyectos de la Junta, las cabeceras sólo que necesita son un encabezado de servo macho de 3 pines y un encabezado macho de 6 pines para el paso a paso