Paso 5: El Pre-Amp


Antes de intentar modificar el circuito que ya tengo instalado, pensé que debería intentar limpiar la entrada, ya que originalmente se hacía de un altavoz como el micrófono.
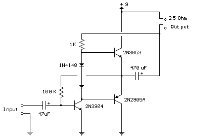
He añadido un pre-amp para ayudar a conducir la señal de micrófono. Esto ayudó a algunos otra vez, pero todavía necesito compensar lo que suena como un poco de forzar el altavoz.
Creo que voy a intentar encontrar un altavoz mejor y ver si eso no ayuda a algunos.













