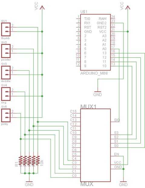
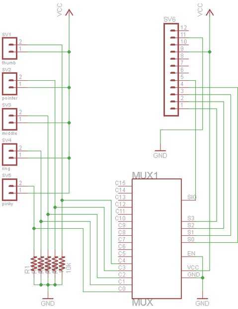
Paso 7: PCB




Mi consejo final es sólo una dos capa para conectar el mux a Arduino. No pongo cualquier conectores para una batería porque estoy actualmente solo usando el guante flex mientras es atado a la computadora por lo que solo uso el poder del cable FTDI.