Guante de controlador de la flexión (2 / 8 paso)

Paso 2: diseño

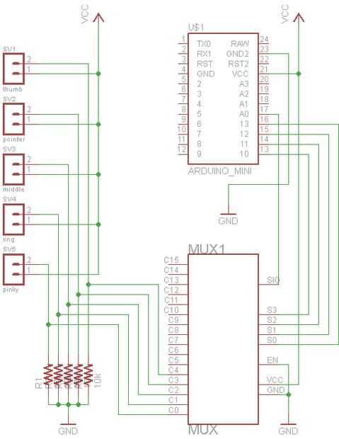
El diseño de este proyecto no es nada nuevo.  Hay un montón de versiones de gente que hace flex guantes aquí en Instructables.  Esta es sólo mi versión.  Ahora opté por usar un MUX Analógico/Digital.  Con cualquier placa de Arduino, esto no es realmente necesario porque ya bastante hay pines analógicos disponibles para su uso, sin embargo yo estaba mirando hacia el futuro cuando me decidí a iniciar este proyecto, y si quería agregar los sensores de muñeca o una segunda mano luego pronto se quedaría sin entradas analógicas en la placa Arduino.  Esta es la única razón por la que fui con el MUX, y es bastante barato, unos $5.  En el MUX hay 8 pernos que son necesarios para el funcionamiento (no incluyendo las 16 entradas).  Por supuesto hay dos por el poder, un suelo y una VCC.  Hay un pin enable que necesita ser tirado bajo en orden para el MUX a los datos de salida.  Hay cuatro pernos selectos que se utilizan como un número binario que corresponde a uno de los pines de los canales de entrada, decir el MUX que pin enviar aunque.  El último perno en el perno de la señal, que envía a una de las señales de 16 canales a una sola entrada en el Arduino.  En el otro lado de la ruptura Junta son 16 canales de entrada son el mismo como cualquier pin analógico en un Arduino se utiliza.

Alambré que el cuatro seleccione pins hasta cuatro clavijas en el Arduino que podría utilizarse como salida digital.  El pin de señal está conectado a un pin analógico abierto.  Puede alambre el pin enable a ser controlada por Arduino pero decidí solo tienes mi MUX habilitado permanentemente así que había conectado directamente a tierra.

Cada sensor Flex tiene dos clavijas y funciona como un resistor, esto significa que no se conecte esta cosa en hacia atrás.  Tomé un pino desde cada sensor flex y había conectado a 5V.  El otro pin fue conectado a uno de los canales en el MUX con un pull-down resistor de cada canal a tierra.  Esto realmente dará usted la analógica de valor en el desplegable de resistencia y no el real flex sensor uno mismo.  Si quisieras tomar las lecturas del sensor flex en vez de las resistencias, se pueden conectar los pines VCC conectados a los sensores a la tierra en su lugar y hacer las resistencias levantar resistencias conectando el extremo está conectado en enlace hasta VCC y tierra.

Artículos Relacionados

Guante de detección de posición suave-circuito

Guante de detección de posición suave-circuito

Advancer Technologies está desarrollando un guante de terapia de mano semi autónoma músculo neumático accionado para recuperación de accidentes cerebrovasculares y pacientes neurológicamente llamado ExoGlove. Parte del proyecto ExoGlove se centra en
3D impreso mano guante inalámbrico control

3D impreso mano guante inalámbrico control

Este instructable fue creado en cumplimiento de un requisito del proyecto de la Makecourse de la Universidad de South Florida (www.makecourse.com). Es una mano impresa 3D único grado de libertad que es controlada de forma inalámbrica con un guante. S
DIY mano robótica controlada por un guante y Arduino

DIY mano robótica controlada por un guante y Arduino

Esta idea de proyecto vino a mí cuando estaba sentada en una cama en una habitación de hotel mientras estaba de vacaciones. Pensé: "Sería muy prolijo que una mano robótica que puedo controlar con mi propia mano!" Al volver a casa, me embarqué en
Guantes interactivos

Guantes interactivos

Este guante interactivo utiliza sensores de flexión, tela conductora y un acelerómetro para orientación de la mano de sentido, la curva de cada dedo, y la yema del dedo toca. También tiene un pequeño motor en la palma de la mano de retroalimentación
Aumentada la Hyper-realidad guante

Aumentada la Hyper-realidad guante

cuadrilla de la Carnegie Mellon HCI es que otra vez, esta vez tomando la grave tarea de hacer una cosa para el juego. La real juega que es. Lo que hace que la vida valga la pena vivir.Esta vez, hemos combinado nuestros nerd-ness para hacer algunas de
Cómo hacer un Kit de afeitado de cuero rústico

Cómo hacer un Kit de afeitado de cuero rústico

peletería es algo que se ha hecho desde antes del comienzo de la civilización, así que me sorprendió realmente el costo involucrado con partiendo. Más tutoriales, cómo de y otras guías listado 20 + uno utiliza herramientas que son "necesarios" p
Mano de robot Arduino 3 dedos

Mano de robot Arduino 3 dedos

IntroducciónEn este instructable voy a explicar los fundamentos de la construcción de su propia mano de robot, controlado por un arduino.La mano utiliza un guante equipado con sensores de flexión que se capturan los movimientos de su mano. Los movimi
Mano robótica DIY

Mano robótica DIY

Los componentes básicos de la mano son los servos, la plataforma Arty, el guante y los sensores de flexión. El guante está construido con sensores de flexión que tienen resistencias variables que cambian su valor de resistencia al doblado. Está conec
Hackear un Powerglove

Hackear un Powerglove

en primer lugar permite conseguirlo fuera del camino... Es tan maloEsto va a demostrar cómo hackear la Nintendo Powerglove. Por hack quiero decir aprovechar los sensores de flexión y utilice el teclado de botones y d y agregarlo que quieras. En mi ca
Sostenedor CD de la servilleta de papel

Sostenedor CD de la servilleta de papel

ahora un CD de días ha vuelto casi obsoleto!Nadie utiliza este dispositivo de almacenamiento debido a la para arriba-gradación tecnológicoAsí que tenemos un montón de chatarra sin usar CDSólo para un sostenedor de la servilleta de mesa papel divertid
Guante háptico con sensores de flexión DIY

Guante háptico con sensores de flexión DIY

Interactuar con un ordenador a través de un ratón o un joystick puede ser algo trivial y a veces (especialmente en el juego de videojuegos y robótica) sea necesario para codificar los movimientos de nuestros dedos en señales eléctricas que un microco
Guante barato bricolaje controlador y propulsor del coche

Guante barato bricolaje controlador y propulsor del coche

HolaEn este instructable te voy a mostrar cómo hacer el guante más barato para el control de tus robots o cualquier otras Arduino o frambuesa pi basado en proyectos y por ejemplo demostración que podrá incluir también cómo un pequeño tutorial de cómo
Haciendo 'Guante One' - un celular 3D impreso, usable.

Haciendo 'Guante One' - un celular 3D impreso, usable.

Hello!  Soy Bryan Cera, y me encanta hacer cosas raras de electrónica! Es mi pasión. Para este instructable, me gustaría que le llevará a través de mi proceso de creación de Un guante, un celular funcional que llevar en la mano. He hecho algunos tuto
Cómo crear simple animatronics-primera parte: utilizando el controlador MAKE

Cómo crear simple animatronics-primera parte: utilizando el controlador MAKE

aquí es cómo construir animatronics simple utilizando servos hobby barato y el kit de controlador MAKE. Quería mantener esto tan simple como sea posible para que no hay ninguna programación requerida y la electrónica se mantiene al mínimo para que cu