Generador de señal de onda sinusoidal modificada. (3 / 5 paso)

Paso 3: Señales internas

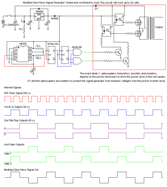
Si tienes un analizador digital de las señales internas deben tener este aspecto, sin embargo si no tienes un analizador digital de ralentizar la frecuencia y utilizando LEDs puede dar los mismos resultados.

Artículos Relacionados

1000W modificado Inversor de onda sinusoidal con pic microconttoller

1000W modificado Inversor de onda sinusoidal con pic microconttoller

Aquí está un diagrama del circuito de 1000W modificado Inversor de onda sinusoidal. Este inversor de onda sinusoidal modificada está diseñado utilizando el microcontrolador PIC16F877A. MOFET driver 1R2210 se utiliza para MOSFETs conectados al transfo
0-40 Mhz, generador de onda sinusoidal para $25.

0-40 Mhz, generador de onda sinusoidal para $25.

Recientemente algunas placas muy baratos ($4-6) han ido llegando de china que contiene un chip conocido como el AD9850 que es un generador de onda sinusoidal de síntesis Digital directa.Con sólo 4 cables de control podemos controlar la Junta a través
Generador de onda sinusoidal simple con Mini Pro

Generador de onda sinusoidal simple con Mini Pro

Este instructable muestra cómo para:1. programar Arduino Pro Mini (ATMega328P) con placa de Arduino Uno sin quitar el chip ATMega2. generar una onda senoidal pura con frecuencia fija y componentes mínimos.Descargo de responsabilidad: Código utilizado
Adaptable 12Vcc/220VCA inversor de onda sinusoidal pura

Adaptable 12Vcc/220VCA inversor de onda sinusoidal pura

aquí es un inversor de onda sinusoidal pura muy simple basado en el microntoller "PIC 16F628A", "no flipar!", NO no es difícil de utilizar microntollers, realmente no podría ser más fácil que esto.Para quienes preguntan, sí diseñado el
Inversor de onda sinusoidal pura

Inversor de onda sinusoidal pura

Mi investigaciónPaso 1: Inversor de onda sinusoidal pura usando el atmel attiny 13 y IR2110 mosfet driverSe trata de mi inversor de onda sinusoidal pura. Funciona muy bien con todo tipo de aparatos electrónicos sensibles como televisores, máquinas de
Inversor de onda sinusoidal pura con microcontrolador pic

Inversor de onda sinusoidal pura con microcontrolador pic

Inversor de onda sinusoidal pura con microcontrolador pic está diseñado en este proyecto. Núcleo de ferrita o chopper en onda sinusoidal pura inversor está diseñado en este proyecto. Hay dos partes principales de este proyecto1.convertidor de DC a DC
Pic16f72 uso de inversor de onda sinusoidal pura sin derivación central de transformador y sin transformador de HV

Pic16f72 uso de inversor de onda sinusoidal pura sin derivación central de transformador y sin transformador de HV

Finalmente el inversor de onda sinusoidal pura más confiable y esperado, es aquí para todos los miembros. (no dude en contactar con me @ hisham2630Características:INVERSOR O/P VOLTIOS: 230 V (+ 2%)O INV./P FREQ: 50HzFORMA DE ONDA O INV./P: ONDA DE SE
Instalar un LED en un tono generador circuito para visualizar una onda cuadrada

Instalar un LED en un tono generador circuito para visualizar una onda cuadrada

en esta foto Instructable te instalas y LED en mi circuito de generador de tono para ayudarle a visualizar la salida de tono de la onda cuadrada del Temporizador 555 en modo astable IC.Por favor revise mi Instructable paso a paso, "construir un gener
INVERSOR de onda sinusoidal pura con LED y LCD

INVERSOR de onda sinusoidal pura con LED y LCD

La PCB del inverter es fácil de montar siguiendo la etiqueta de los componentes que se insertará. La elección de la tensión que se utilizará para alimentar el inversor desde 12v a 48v depende de kva que está diseñando. para cualquier configuración, u
1Kw generador de construcción propia (cortacéspedes de césped del montar a caballo)

1Kw generador de construcción propia (cortacéspedes de césped del montar a caballo)

bien como la mayoría de nosotros, que estaba buscando para encontrar una manera de reducir gastos en la creación de una fuente de alimentación de energía alterna.La forma más sencilla de realizar esta tarea era volver a utilizar los equipos existente
El generador Solar de Grizzly

El generador Solar de Grizzly

hice este generador solar principalmente para acampar pero entre viajes me gustaría llevarlo al lago donde tengo poder para todos mis gafgets.Mi configuración incluye:Caja de herramientas rodante StanleyBatería de 100AH ciclo profundo solares150W mod
Mini generador Solar (el Grizzy Cub 90)

Mini generador Solar (el Grizzy Cub 90)

aquí está mi Instructable paso a paso sobre cómo hice mi mini generador solar. Hice este porque va a ser más compacto que cargar en mi más grande uno que pesa alrededor de 27kg (60 libras). Ésta será menos de 3kg así que por supuesto no poder mini ne
Comunicación / potencia caja

Comunicación / potencia caja

Así que hay un montón de cajas de potencia portátil allí y hay un montón de jamón de radio irás kits (radio en una caja) este kit combina estos juntos junto con un iPad y un altavoz Bluetooth para mayor flexibilidad. Ahora tengo un mejor conjunto org
Turbina de viento de flujo Axial de 7 pies

Turbina de viento de flujo Axial de 7 pies

este instructable documenta el proceso de mi único rotor de turbina de viento. Está construido con la inspiración de Hugh Piggot y la gente de Otherpower.com. Este es mi primer intento de construir una turbina eólica, y voy a tratar de incluir los er