Paso 2: Generador de onda de seno de Modifide Simple


A menos que usted puede adquirir un encargo transformador su diseño de circuito es gobernado por el transformador disponible, si la bobina primaria no es centro de grabado le están limitadas a un conductor AB. El transformador sólo con que se puede jugar es un golpecito de centro primario, si la bobina primaria es centro grabado entonces usted puede utilizar un A, B, C y AB inversor controlador y él pueden suministrarse con 12 o 24 voltios y 6 o 12 voltios que se puede jugar con los vatios.
Si la bobina primaria es de 1000 vatios correr máximo su inversor es limitada a 1000 watts picos de arranque máximo y cerca de 1500 vatios de funcionamiento.
Los transistores y los mosfets deben vatios doblarse, tomar un IRF640 es 200 voltios 16 amperios y vatios de 136. Es de 200 voltios amperios 0,68 a 8,5 voltios 16 amperios no 200 voltios 16 amperios. Un IRF640 se pondrá caliente en constante de amperios 12 voltios 11 corriendo doblando los transistores y mosfets mantendrá de sobrecalentamiento en el uso de potencia completa.
Optoaisladores protegen el circuito de señal de retroalimentación y alimentación sobrecargas; envían la señal desde el generador de señal por la luz en una dirección a la orilla del transistor.
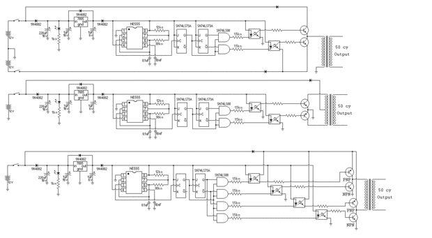
Estos tres diseños de circuito de inversor de 50 Hz son fáciles de construir y el circuito de la señal es correcta al 1%.
Este circuito puede ser roto hasta siete componentes.
1. fuente de alimentación
2. regulador de voltaje
3. contador de tiempo
4. convertidor de señal
5. Optoisolation
6. inversor Transistor Banco
7. transformador
Puede haber más componentes al agregar circuitos de carga y baja batería.
Estos circuitos son centro de 24 voltios a tierra y AB tipo inversor; Centro de 12 voltios con cinta primario bobinado inversor de tipo B y 12 voltios AB tipo inversor.
Componentes del regulador de tensión
1-LM7805
Diodos 1N4002 3
1-220uF 16v
1-1uF 16v
1-1uF 6v
1-LED
1-1 kâ ¦
Componentes del contador de
1-NE555
1-12 kâ ¦
Usar 1-24 kâ ¦ para 60 CY o 1 30 kâ ¦ para 50 CY o 1-39 kâ ¦ 40 CY
1-0.1 uF
1-10 nF
Cualquier multivibrador con una salida de 240 Hz de 60 ciclos, 200 Hz para ciclo de 50 y 160 Hz para 40 ciclos será debido para el circuito de temporizador. El ciclo de trabajo no es importante como la primera flip JK fracaso convierte la señal a 1/2 y ciclo de trabajo 50% de las heridas.
Componentes del convertidor de señal
1-SN74LS73
1-SN74LS08
2 a 4-1.5 kâ ¦
Desde la salida de la puerta y resistencias al resto del circuito el valor de los componentes activos del inversor depende de la alimentación eléctrica y el transformador del inversor.