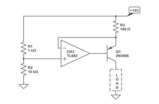
Paso 3: Cómo funciona:

Vout = Vin * R2R1 + R2
donde Vin es de la fuente de alimentación. De aquí, el Op Amp tiene espalda alimentación negativa (es decir, la salida está conectada a la entrada) y equilibra el V + y V-terminales para aproximadamente el mismo potencial. En otras palabras, el voltaje en la terminal V será el Vout del divisor de tensión. Así, la caída de voltaje a través de R3 se encuentra que la diferencia de 15 13.64 = 1 .36V. Esta caída de voltaje produce una corriente dada por la ley de Ohm de 1.36V / 150Ω, dando una corriente de 9.1 mA. Incluso con la adición de una cantidad insignificante de la corriente de la salida del Op Amp (un factor de 100 más pequeños), la corriente es constante a través del transistor, por lo que la salida a la carga es 9,1 mA.