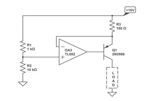
Fuente de corriente constante con amplificador operacional (2 / 4 paso)

Paso 2: Conecte una carga

Conectar una carga de su elección con una resistencia de menos de 1,4 k al terminal de emisor del transistor (la terminal nonconnected) y a tierra como se muestra en el diagrama del circuito. Como resistencia de la carga cumplir con los requisitos, 9.1 mA fluye a través de la carga.

Felicidades. Han construido una fuente de corriente.

Artículos Relacionados

BRICOLAJE láser diodo controlador || Fuente de corriente constante

BRICOLAJE láser diodo controlador || Fuente de corriente constante

En este proyecto les mostraré cómo extraje un diodo laser de un quemador de DVD que debe tener el poder de encender a un fósforo. Para el diodo de potencia correctamente yo también demostrará cómo construir una fuente de corriente constante que sumin
Conductor actual constante de LED con amplificador operacional

Conductor actual constante de LED con amplificador operacional

yo solo voy a mostrar un tweak simplemente de dan energía LED - luz más simple con el circuito de corriente constante.Es mi primer instructable para que por favor deje comentarios cómo mejorar la explicación y hacer más legible.Y aquí está el circuit
Banco de fuente de corriente variable con refrigeración activa

Banco de fuente de corriente variable con refrigeración activa

necesitaba una nueva fuente de alimentación del Banco que sería variable y bajo costo. Me decidí a volver a utilizar un adaptador de alimentación portátil antiguo que no se utilizaba ya y me dio un buen filtrado de 19 voltios DC. Entonces hice el cir
Corriente constante LED RGB fade efecto con transistores

Corriente constante LED RGB fade efecto con transistores

Me aburría así que empecé a jugar con transistores. La razón de esto se convirtió en un LED se descolora y circuito actual constante es simplemente porque las piezas eran a mano y luces de diferentes colores siempre es fresco. Por favor ver adjunto v
LED - luz más simple con el circuito de corriente constante de energía

LED - luz más simple con el circuito de corriente constante de energía

aquí es un circuito de controlador de LED (1$) realmente simple y barato. El circuito es una "fuente de corriente constante", que significa que el brillo del LED mantiene constante sin importar de qué fuente de alimentación usas o las condicione
LED de corriente constante (Arduino)

LED de corriente constante (Arduino)

Probablemente han tenido ese problema. Usted quiere poner un montón de LEDs en una salida, pero realmente no sabes cómo...Avery solución simple puede ser que le pongas todos su LED de paralelo entre sí. Entonces, calculas la resistencia de ellos y de
Pequeño mezclador de colores - una corriente constante, 3W RGB LED con indicador de batería baja y polimorfo difusor

Pequeño mezclador de colores - una corriente constante, 3W RGB LED con indicador de batería baja y polimorfo difusor

Control de un LED RGB es un proyecto de microcontrolador simple y común, a menudo el siguiente proyecto después de parpadear y desvanecimiento de un LED.Para hacer esto más interesante, he construido usando un ATtiny13, uno de lo AVRs más pequeño y m
Amplificador operacional comparador y divisor del voltaje Tutorial con teoría y laboratorio - con el LM324

Amplificador operacional comparador y divisor del voltaje Tutorial con teoría y laboratorio - con el LM324

Hola a todosGracias por tener un vistazo.  En este video, a estar hablando en profundidad sobre divisores del voltaje y circuitos de comparación basados en amplificador operacional.  Doy muchos ejemplos, y al final del video, hay un ejemplo de uno de
Circuitos de amplificador operacional DC

Circuitos de amplificador operacional DC

En este instructable espero cubrir los fundamentos de los circuitos de CC con amplificadores operacionales, también conocidos como op-amps. El material que presento ha sido adaptado de mis materiales de laboratorio de electrónica en el Pomona College
Cómo utilizar OrCAD diseño y simulador PSpice para construir un amplificador operacional

Cómo utilizar OrCAD diseño y simulador PSpice para construir un amplificador operacional

Este Instructable fue creado en cumplimiento de los cursos requeridos para el curso de comunicaciones para los ingenieros de la Universidad de South Florida.Miembros: Cole Andrew, Frederick Ngoiya, Diego Serrano Reinel--------------------------------
Convertir electrónica para funcionar con corriente alterna con pilas

Convertir electrónica para funcionar con corriente alterna con pilas

Utilizamos pilas para muchos de nuestros componentes electrónicos de potencia. Pero hay algunos dispositivos de pilas que no necesariamente tienen que ser portátil todo el tiempo. Un ejemplo es oscilación de pilas de mi hijo. Puede ser movido pero no
La introducción de corriente constante de 5A y constante tensión LED batería carga módulo del controlador

La introducción de corriente constante de 5A y constante tensión LED batería carga módulo del controlador

ICStation R & D Departamento ha desarrollar este maravilloso producto--5A corriente constante y voltaje constante LED controlador carga módulo($5.54 + envío gratuito) recientemente. Gracias por sus grandes esfuerzos! Vamos a compartir su logro con lo
Radio amplificador operacional simple

Radio amplificador operacional simple

esto es solo lo que crees que es, una radio hecha con un amplificador operacional. Esto es tan accidental y simplista como mi otra radio instructable (la radio 555) y realmente me hizo preguntarme si yo era sólo un imán de RF o algo. Hay sólo un puña
Un simple 4 - fuente de corriente ajustable de canal

Un simple 4 - fuente de corriente ajustable de canal

La fuente de corriente de 4 canales se hizo para el control de un poder más elevado LED RGBW de un microscopio. Se inspiró en un circuito publicado en electrónica diseño noticias (EDN) como una idea de diseño por John Guy en junio de 2008. He utiliza