Paso 1: Assible del circuito

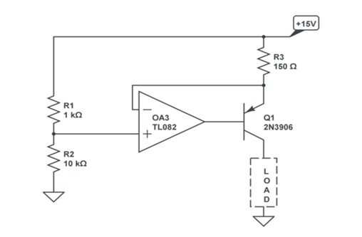
El amplificador operacional tiene 8 pines; el primer pin es señalado por un círculo pequeño, con sangría. El resto de los pernos se enumeran alrededor hacia la izquierda. Las conexiones se muestra el terminal V es pin 2 V + es el pin 3 y el punto del triángulo conectado con el transistor es el pin 6. Además, pin 4 debe conectarse - 15V y pin 7 a + 15V (no se muestra en el diagrama del circuito).