Paso 2: esquemas


En la parte inferior gris plazas marca donde debe eliminarse traza sobre la placa perforada. En la parte superior existen todos los componentes marcados como símbolos o huella o ambos. Hice puente corta las conexiones en la parte inferior del tablero con cortaron las patas del componente y las conexiones de puente largo en la parte superior con alambre aislado. Llevan la marca correspondiente en el lado superior o inferior del dibujo. Brown siempre corresponde al nivel del suelo, rojo para el voltaje positivo.
Fotos difieren un poco del dibujo, porque cometieron varios errores durante el proceso y fija en el extremo, y en algunos lugares he intentado dibujar una solución incluso mejor que yo físicamente hecho allí.
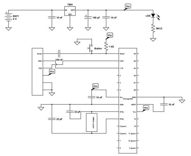
2. también hay una regular electrónica esquemática que muestra todas las conexiones aparte de las cabeceras de pin hembra. Estas cabeceras simplemente se alinean con el controlador y conectan al pin en la misma tira de cobre.
Utilizar este esquema de comprobación y solución de problemas de su trabajo. Todos los nodos marcados Vcc deben conectarse entre sí y todos marcado GND (símbolo de la flecha hacia abajo) debe conectarse entre sí.
Armado con esa información, vamos a comenzar.