Paso 7: prueba



Sólo tiene que conectar la batería.
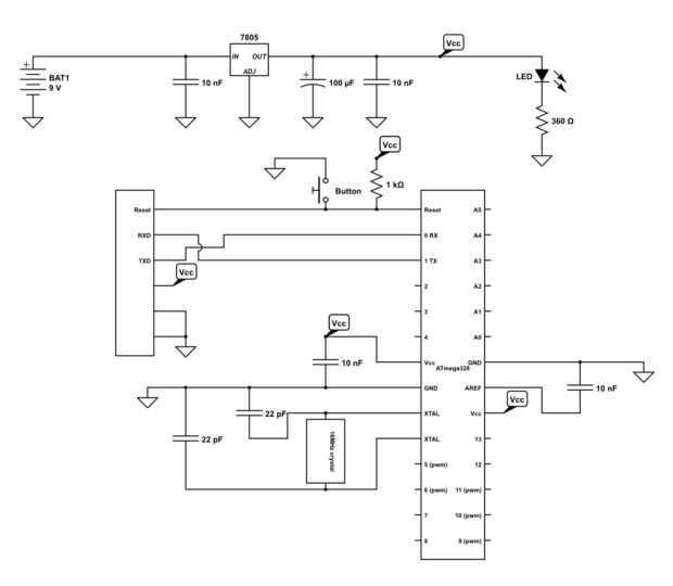
Si el LED se ilumina con su brillo normal la parte de suministro de energía está probablemente bien.
Si no, compruebe
- polaridad de LED,
- polaridad del diodo de rectificador,
- conexiones de cables
- otras cosas menos...
Multímetro de uso hacer algún voltaje verifica en el zócalo de la viruta. ¿Si hay 5V (y no 9 o algo) entre cada pin GND y VCC?
Si no Revise todas las conexiones de cable con la ayuda del esquema. Hay muchas conexiones para líneas de VCC y GND y fácil cometer un error.
Mantenga la punta de prueba de un multímetro en algunos pin GND y pasar por todos los pines en el conector. También debe haber 5V en RESET pero no en cualquier otro pin de I/O.
Si usted quiere comprobar las conexiones de la Rúbrica FTDI, primero retire la batería y medir la resistencia entre cabeceras masculinas y zócalo del IC donde van los cables.
Si tenes esa cosa como se debe puede insertar el ATmega ahora :)