Paso 5: Conectarlo


Preparación
Ahora que han montado el espejo, puede empezar a soldar la placa perforada. Para este paso específicamente necesita estos materiales:
6 registros de desplazamiento de x
6 x 16 Pin DIP Socket
Resistencia 36 x 220 Ohm
Tablero perforado
Alambre de calibre 24, varios colores
Soldadura de hierro
De la soldadura
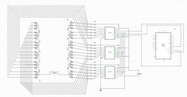
Después de haber reunido estos materiales, mira la placa perforada. En el esquema que se muestra arriba, debe ser capaz de identificar el Arduino a la derecha, los registros de 595 cambio en una línea vertical a la izquierda y las resistencias hacia el ánodo común RGB LED se conecta en paralelo a la izquierda. Asegúrese de prestar atención al orden de las entradas de rojo, verde y azul de cada lado del espejo. Como se puede adivinar, el diseño es para que en dos lados opuestos, la parte inferior izquierda seguiría la parte superior derecha.
Tenga en cuenta que habrá dos de estos patrones, como el esquema sólo muestra los LEDs de un lado. Esto es porque si hay dos, el esquema ya no sería fácil de seguir.
Haber usted familiarizados con el diseño, se preparan para la soldadura!
De soldadura
Un paso importante antes de soldar estas conexiones es planificar mentalmente su tablero antes de tiempo. Muchos dolores de cabeza pueden evitarse de esta manera simplemente imaginando que todos los cables del LED se conectará a resistencias lleva a los registros de cambio en el orden correcto. Después de haber reunido estos y preparado su estación de trabajo, usted necesitará los siguientes componentes, aparece aquí en un orden que sería relativamente fácil para la soldadura de la soldadura.
16 pin DIP tomas
El propósito de este paso es soldar los conectores que registra el cambio se conecte. Los registros de cambio de soldadura dañaría la electrónica interna, y tan para estar seguro es bueno soldar estos zócalos independientemente. Afecta a la disposición de las tomas cómo espaciadas hacia fuera las conexiones del LED tienes que hacer a los resistores será; Si apilarlas demasiado juntos, los resistores serán demasiado estrecho para proporcionar soldadura cómoda.
Vale poner un poco de soldadura en el saliente por el lado cobre de la placa perforada. Esto debe ser una conexión sólida, o más tarde experimentará síntomas molestos.
Resistencias
Estos deben colocarse con una fila entre cada resistor. Esto es para posteriormente soldar los LEDs, y habrá una gran cantidad de soldadura en un área pequeña, que desea reducir al mínimo el riesgo de cortocircuito accidentalmente algo. Además, una buena regla del pulgar para soldar estos es empujarlos cuanto puede ir y luego soldar en su lugar. Después de haber hecho esto, puede ir a doblar el largo que sobresale plomo de cada resistor más cercano a la toma de sobre en pin del zócalo DIP correspondiente. Entonces, usted puede simplemente calentar la soldadura en el pin con su hierro, que debe fluir sobre y alrededor de plomo de la resistencia. De este modo, se conectará perfectamente todas las resistencias en la parte superior por el fondo en cobre que suelda.
Cuando haya terminado completamente con cada una de estas conexiones, asegúrese de usar unas tenazas para clip largo termina lejos. Si no, que en el camino y hacer más inaccesible que tiene que ser la placa perforada.
Encadenamiento en los zócalos de la inmersión
Como pernos del zócalo DIP coincidirá con pins de 595, el siguiente paso será conectar las clavijas de las tomas que tendrán que ser juntos para que el 595 a trabajar. Como puede verse en el esquema, cada par de dos lados tendrá tres registros de cambio Margarita juntos. "Margarita" es sólo lo que se llama cuando se conectan los registros de turno para que usted puede hablar con todos ellos hablando con uno. Esto se hace en dos pasos:
1) conexión de las patillas de cierre y los pasadores de reloj en paralelo entre sí. Cuando usted busca en el tablero de la parte superior, libre de soldadura lateral, esto se traduce en el Quinta perno de conexión desde la parte superior izquierda de cada zócalo junto (en el cambio registro diagrama perno 12), y luego conectar la clavija de la sexta desde la parte superior izquierda de cada enchufe junto (el pin cambio registro Diagrama 11). Puede hacerlo por los alambres de corte tamaño apropiado, pela sus extremos y luego meter los extremos a través del derecho los agujeros encima de dos pernos que necesitan estar conectados. Es mejor primero soldar cada uno de los cables en su lugar usando los rastros de cobre alrededor de sus orificios y luego preocuparse de flexión sobre los pelados del cable en el pin correspondiente. Tenga cuidado cuando haces este paso, ya que el espacio es apretado y es posible utilizar demasiada soldadura!
2) conectando el pin de salida de cada turno registro/conexión con el pin de datos del cambio registro/encaje que es siguiente en línea. Una vez más mirando desde la parte superior, esto se traduce en la conexión del eje derecho superior de cada conexión (en el pin cambio registro Diagrama 8) con el pin de datos de la toma inmediatamente la vecina (sobre el shift register diagrama pin 14). , No se conectan en paralelo! Es crucial que estos se unen salida -> data, como la lógica interna del registro de cambio pasará finalmente en señales para el siguiente registro de desplazamiento en línea. Si se conectan fuera de orden o de lo contrario mal, los LEDs no se conectará en orden y programación que tendrá tomar en consideración
Conectar la energía a su circuito
El paso final antes de añadir el suelo finalmente traer en todos los cables y conexiones de 5V a tu circuito para todos los componentes de la energía. Esto va a requerir lo siguiente:
1) conectar todos los cables que necesitan + 5 voltios en paralelo. Esto puede hacerse mediante la adición de carriles de + 5 voltios a los bordes de la placa perforada por encima de los zócalos. Los rieles se compondrá de cables pelados soldados en la parte posterior de la Junta, como se aprecia en las fotos. Estas soldaduras en se hacen mucho más fácil con algo para sostener el cable en su lugar ya que la soldadura en el lugar, como un clip. Además, tenga en cuenta que todos los ánodos comunes de los LEDs necesitan conectarse a estos carriles también. Asegúrese de dejar suficiente espacio para dar cabida a esto!
Los cables del conector que va a necesitar conectarse a estos + 5 voltios será superior izquierda (sobre el shift register diagrama pin 16) y el segundo de la parte superior derecha (en el pin cambio registro Diagrama 9). En las imágenes, para nuestros espejos debe poder ver los cables que conectan los pines del zócalo hasta el ferrocarril, que se pone una distancia leve de la fila de zócalos. Esto es una manera aseada para conectar entre sí todos los + 5 voltios. Será más conveniente además alambre los dos + 5 voltios carriles juntos y añadir un alambre largo conduce a su fuente de alimentación de esta red de + 5 voltios. En las imágenes, esto es visto como el cable marrón colgando fuera de la Junta.
2) agregar las conexiones a tierra a los pines adecuados de la toma de corriente para cumplir más con las necesidades de energía del cambio de registros. Hay dos motivos por registro de desplazamiento. Uno de ellos es el cuarto de la parte superior izquierda (sobre el shift register diagrama pin 13) y la otra es la parte inferior derecha del pin (sobre el shift register diagrama pin 7). Estos pueden todos ser conectados en paralelo y a un eje central de la tierra en el tablero, como puede verse en uno de los cuadros. Agrupación de todas las conexiones hacia la tierra en alguna zona en su tabla, como la conexión de + 5 voltios, le permitirá agregar un cable hacia la fuente de alimentación del tablero perforado. En las imágenes, esto es visto como el cable verde colgando fuera de la Junta.
Conexiones LED
La forma que cada LED conexión debe cablearse hasta aparece explícitamente en el esquema anterior. Los LEDs en esta configuración se conectan para una fila espeja a la otra también es bastante fácil de averiguarlo mismo como ir, conocer el patrón que desea seguir. La mejor manera de enfoque de estas conexiones del LED es intentar reclamar lo que espacio le puede en la placa perforada y soldar entre sí los dos cables de los LEDs en un bosquecillo junto a uno de los extremos de la resistencia. Una vez más, asegúrese de utilizar suficiente soldadura. Como soldar las resistencias a perno del zócalo de la inmersión, usted tiene la opción de doblar una vez más sobre el cable largo de la resistencia sobre los cables de LED despojado empujando fuera de los agujeros, o podría tener el LED despojado cables doblado sobre tocar el plomo de la resistencia. Lo que funciona mejor para usted!
Después de haber terminado la RGB los cables en orden adecuado a las resistencias de conexión, el siguiente paso es soldar todos los ánodos sueltos, comunes restantes de cada LED RGB para la + 5V rieles de la Junta.
Soldadura en el Arduino conduce
El paso final en el circuito de soldadura es conectar los cables que se conectan a tu arduino. Concretamente esto significa que, como los cables sueltos a los rieles de + 5 voltios y conexiones a tierra, tienes tres cables colgando del tablero para cada encadenamiento de tres registros de cambio. Así, en total tienes 8 cables que no están conectados con algo colgando del tablero (1 + 5 voltios, 1 planta, 2 entradas (3 por encadenamiento)). En lo que sea tu primer cambio registro en línea es, tendrá que conectar un cable a la libre datos pin (en el cambio registro diagrama pin 14), a la clavija de enganche (sobre el shift register diagrama pin 12) y al pin de reloj (en el cambio registro diagrama pin 11).
Termina el cableado. Si eres más allá de este paso, estamos casi listos!