Paso 6: Conexión de la impresora







Mayoría de los componentes se monta a la Junta por medio de cables con headers hembra al final. Para el cableado sugiero usar cable de cinta. Se ve bien y no enreda.
No voy a explicar cómo instalar la pantalla LCD, teclado y la tarjeta SD de lector. Hay un montón de instrucciones sobre la instalación de estos. Siga los siguientes enlaces:
- Puede encontrarse información sobre el teclado de aquí.
- Puede encontrar información sobre cómo instalar el lector de tarjetas SD aquí.
- Puede encontrar información sobre la instalación de la pantalla LCD aquí.
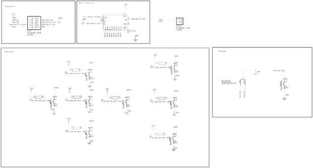
Motores
Hay 5 motores para instalar en esta impresora. Dos para el eje X, eje de la Y una, para el pistón de construcción y para el pistón de alimentación. Los motores de X tienen que cablearse como grupo, mientras que ambos motores van en dirección opuesta. Esto se hace conectando los cables del motor en reversa: 1A, 2B, 1B, 2A, 2A a 1B y 2B a 1A. Todos los motores no requieren ningún trabajo adicional adjuntarlos.
El motor de X e Y ir al puerto de X e Y de las rampas. La alimentación y construir motor ir a los puertos E0 y E1 en ese orden.
topes
Sólo los topes X e Y son realmente necesarios. El es actualmente el firmware puede hacer con el tope B y F nada. El tope de X va al puerto X min y el tope Y va al puerto Y min.
Fuente de alimentación para los motores y láser
Los motores y sistemas de impresión son alimentados por 12V. Para suministrar este necesita una fuente de corriente continua que produce por lo menos 12V. Esto tiene que conectarse al bloque terminal derecha, la izquierda se utiliza para la calefacción de la printbed de las impresoras FDM y proporciona sólo un mosfet. El bloque de derecha suministra motores y los otros MOSFET.
Fuente de alimentación de Arduino
El Arduino necesita demasiado poder. Para esto tampoco necesitas otra fuente de alimentación de al menos 6V, conectado a la toma de alimentación de arduino, o una fuente de alimentación de 5V USB. Te Consejo un cargador USB con un cable USB de Arduino. Hay un montón de sistemas de 5V en el tablero (LCD, sistemas de futuros de inyección de tinta, teclado) y el Arduino a bordo del regulador de voltaje podría ser dibujado a su límite. El regulador de voltaje puede o un cargador USB suministra mucho más que cualquier ordenador.