Paso 18: Cableado de la electrónica







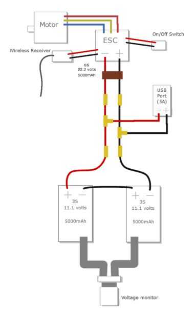
El cableado de la electrónica fue una tarea bastante sencilla, pero hice un diagrama bastante que se proporciona anteriormente, para su comodidad. (completar con un USB adaptador add-in que nunca llegué a ;) _
Primero conecté el motor y el ESC juntos. Tuve que usar unos adaptadores de 5-4mm como la ESC tiene conectores de bala hembra de 5mm, y el motor tenía conectores de bala macho de 4mm. Yo les envuelto en cinta de un electricista para hacer un protector temporal contra cualquier cortos.
A continuación os adjunto cilindrico a decanos conector adaptador a líneas de energía de Decanos de la ESC. De esta manera era capaz de conectar el ESC a los adaptadores de baterías/serie-paralelo de Lipo ya que todos tenían conectores de bala. Me podría haber cortado el conector Deans y soldar unos conectores de banana en, pero como mi cargador no vino con banana, conectores de carga decidí dejar los decanos conector en la ESC. (El cargador vino con un decanos conector de carga)
El resto es todo opcional dependiendo de la puesta en marcha. Para mí pude conectar el mazo de cables paralelo de Lipo o el mazo de cables de serie Lipo. Por ejemplo, si yo también quería ejecutar el adaptador USB en el circuito podría uno de los extremos de la paralela a la USB y el otro a las Lipos conectados en serie.
También se utiliza el adaptador de carga para cada uno de la batería de Lipo, a la que luego conecté al monitor de voltaje del Lipo 6-3. De esta manera pude obtener una idea aproximada de cuánto jugo tendría en total, sobre la marcha.
Intenté mantener todo tan limpio como sea posible, agrupar algunos de los cables extra con ataduras de cremallera. Planeé tratar de encajar todo en una de esas cajas de plástico con los deslizadores pequeños que se deslizan en para hacer pequeñas cajas de la organización. ¿Usar esto para separar las pilas, ESC y cables, además de los elementos de repuesto, (herramientas, cosas, dinero en efectivo incluso? o.o) que podría necesidad/quiere. Por lo menos hasta que la energía/inspiración para hacer mi propio envase, posiblemente de madera (pintada).