Paso 2: Conectar todo

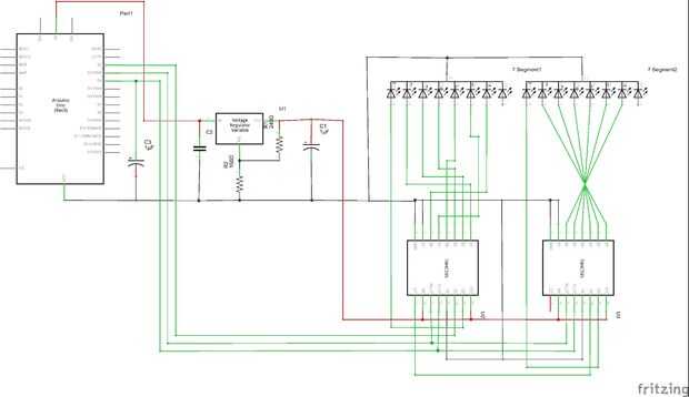
Este es el esquema. Había soldado todo a un tablero de perf. Mis salidas de los registros de cambio fueron etiquetados A la H por lo que los conecté A A en el 7 segmentos display, B a B y así sucesivamente. No usar H, puedo conectar esto más tarde aunque. Creo que es por el punto decimal pero estas pantallas tienen dos decimales, así que no estoy seguro de que funciona. Cada cambio de registro de controles es exhibición de segmento 7 propia. La salida de la serie desde el primer registro de desplazamiento va a la entrada en serie en el segundo. Ambos pines del reloj y haz atados ambos pasadores de cierre. Soldar 3 cables en el borde de la placa de serie, reloj y cierre.













