Paso 9: Circuito detallada Descripción

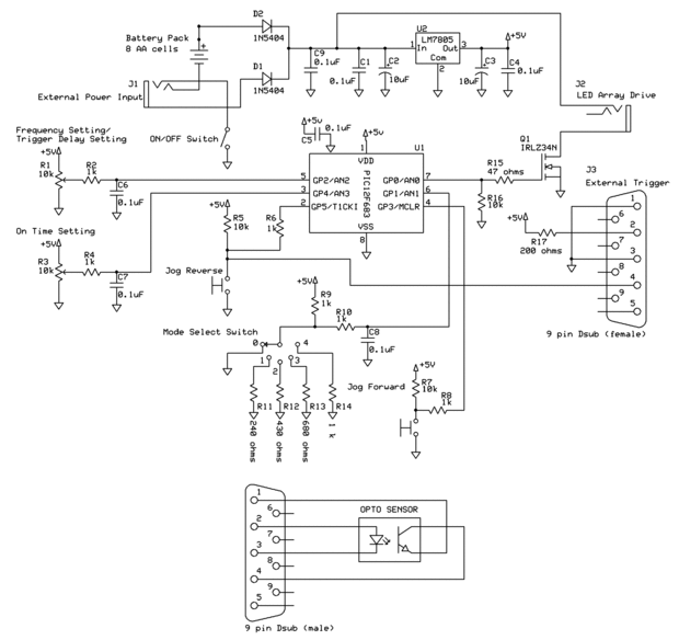
Entradas de alimentación
Potencia de entrada puede ser a través de una toma exterior, J1, o de la batería. Los diodos D2 y D1 se utilizan aislada la batería y la fuente de alimentación externa si están siempre conectados a la vez, y también previenen daños al circuito si se invierte la polaridad de entrada de energía.
+ Regulador de 5V
Proporciona un regulador LM7805, U2, el + 5V regulada de voltaje para el circuito de generador de pulso. Hay condensadores electrolíticos y cerámicos (C1, C2, C3, C4 y C9) en la entrada y la salida del regulador para el filtrado.
Entradas analógicas
El microprocesador utiliza su convertidor A/d interno para leer dos entradas analógicas (AN3 AN2and). Estas entradas analógicas leer la configuración de potenciómetros R1 y R3, que el tiempo de la flash y la frecuencia de la luz estroboscópica flash. R2, R4 y C6 y C7 se utilizan como filtros paso bajo en las entradas analógicas. El tiempo y frecuencia son controlados independientemente uno del otro. El software genera los pulsos de salida basados en las lecturas de tiempo y frecuencia.
Modo seleccionar entrada
Una entrada analógica en tercer lugar (AN1) se utiliza para leer una entrada de selección de modo. La entrada select mode lee el voltaje en el terminal común de un interruptor rotatorio multi posiciones. El terminal común del interruptor es conectado a + 5 voltios por resistor R9 y conectado a tierra a través de varias resistencias diferentes (R11, R12, R13 y R14), dependiendo de la posición de un interruptor rotatorio. Cada posición de interruptor resultará en un ambiente de tensión en la selección del modo analógico de entrada. Se lee el valor analógico por el convertidor A/D de microprocesadores y el modo de funcionamiento adecuado se selecciona basándose en ese valor.
Entradas digitales
El microprocesador Lee también dos entradas digitales (GP5 y GP3) conectado a normalmente abierto interruptores SPST, la función de los cuales depende el modo de funcionamiento seleccionado. Estas entradas se tiran hasta un interruptor + 5V por R5 y R7. R6 y R8 se utilizan para prevenir daños a las entradas de U1 es la entrada siempre se pone en cortocircuito a la alimentación.
En los modos de estroboscopio, estos interruptores se utilizan para jog estroboscópicos frecuencia hacia arriba o hacia abajo ligeramente, para "reposicionar" el objeto a una posición más adecuada, si se desea.
La entrada reversa jog también se utiliza como la entrada del disparador en el modo de flash activada. Esta conexión se trae hacia fuera a través de un conector D-sub de 9 pines (J3) de interfaz para sensores externos. Cualquier sensor u otro circuito externo, como un interruptor óptico o un interruptor de efecto Hall, que puede tirar esta línea bajo tierra, puede utilizarse para activar el flash. También dispone de una salida de corriente limitada en el conector D-sub, para alimentar un LED infrarrojo si se utiliza un tipo de interrupción óptico del interruptor. Esta línea está conectada a + 5V a través de una resistencia de 200 ohm. Consulte el esquema para ver las señales en el D-sub y cómo conectar a la interfaz para un interruptor óptico interrupción. Se muestra un ejemplo de un sensor óptico de IR en la parte inferior del esquema.
Salida de LED coche
La salida de pulso del microprocesador se aplica a la base de FET Q1, permitiendo que la corriente fluya a través de la matriz de LED. R16 se utiliza para mantener la puerta del FET tirada bajo para que no flote alta. R15 está en serie con la puerta de la FET para evitar cualquier llamada en la puerta debido a capacitancias parásitas de la FET.
El conector de salida J2 es donde la matriz de LED se conecta a la salida del controlador. La conexión positiva de la matriz de LED se conecta directamente a la fuente de 12 voltios, y la ruta actual a través de la matriz se completa por la FET.