Paso 9: Viajes para el oscilador puente de Wein


Comprobar la salida de su oscilador para asegurarse de que produce la onda sinusoidal limpia que oscilador puente de Wein. Queremos tener como puro de una armónica como sea posible para que nos cambie la señal de ultrasonido por una cantidad en lugar de varios, que crearía una señal distorsionada en la salida de la multiplicadora.
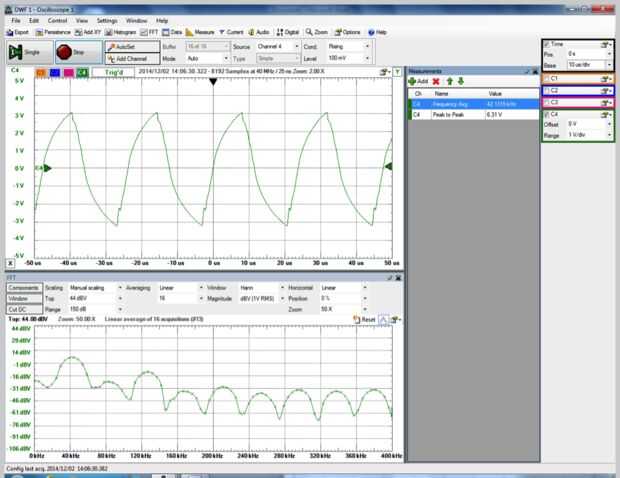
La primera imagen de arriba muestra una deseable onda senoidal de salida, mientras que la segunda imagen es un ejemplo una oscilación que es demasiado irregular (en otras palabras, tiene frecuencias superiores presentes que no deberían estar ahí). Otro problema común al construir un oscilador puente de Wein se recorte. Si usted nota recorte en su cheque de salida su alimentación rieles y los valores de R2, R3 y R4. Una vez que la señal se ve bien puede hacer su frecuencia del oscilador más preciso escoger resistores y condensadores que más se asemejen sus valores deseados (ya que todos los valores son un poco fuera de su valor nominal).
Nos dimos cuenta que era fundamental para tener valores de R en el rango de kOhm en lugar del rango de ohmios, ya que el valor más bajo fue dibujo demasiado actual y lanzar el oscilador fuera de balance. Cuando R tenía 43 ohmios (accidentalmente), se produce la señal en la segunda imagen de arriba. Cambio de R a 4,3 kohmios hizo el truco para conseguir una sinusoide limpiarla.
No es tan crítica que una sinusoide limpiarla alimentada en el transmisor de ultrasonidos (si se construye la prueba parte del circuito). En realidad, sonidos en nuestro entorno se componen de numerosas frecuencias, por lo que sólo se transmite una señal de ultrasonido más realista. La composición de la señal transmitida es algo que se puede jugar con, sólo asegúrese de mantener un ojo en su ancho de banda para que todas las frecuencias que quieres oír no son bloqueadas por los anchos de banda del transmisor, receptor, de BPF por el camino.