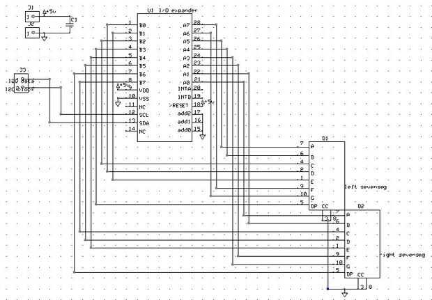
Paso 3: Esquema y fichas técnicas



EDIT: Parece que algunas de mis notas en la imagen original desaparecieron misteriosamente. Las primeras notas que hice fueron los que desaparecieron. Mi conjetura es que hay algún límite en el número de notas que puede poner en cada cuadro y cuando hice muchos el primero de ellos fueron enviados al olvido. O tal vez fue sólo un error con la interfaz web o algo. Cualquier manera, la primera foto tiene las cosas regular y la segunda imagen se relaciona con mi etapa "difícil".