Paso 7: las probabilidades y termina



(De Tomi Engdahl)
Conectores: Hombre D25
Resistencias: 640k, 320 k, 160k, 80k, 40 k, 20k, 10k, 5 k, 390 (+ - 1%)
(Puede utilizar diferentes valores de resistencias, pero la relación de los valores de las resistencias debe ser igual. 0.5, 1, 2, 4, 8, 16, 32, 64 etc..) 1, 2, 4, 8, 16, 32, 64, 128
Condensador: Electrolítico o sólido uF de tantalio 10 10V
------------------------------------------------------------
Programador AVR (ver foto) (resistores son mayoría 1k)
Ver:
http://www.bsdhome.com/AVRDUDE/
http://My.opera.com/CrazyTerabyte/blog/2007/10/26/First-Contact-with-ATmega8-Microcontroller-Part-2
para obtener más detalles.
-----------------------------------------------------------
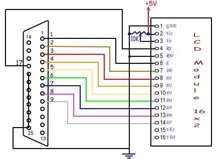
Circuito de LCD. (ver imagen), ver http://electrosofts.com/parallel/lcd.html para más detalles.