Paso 5: etc..

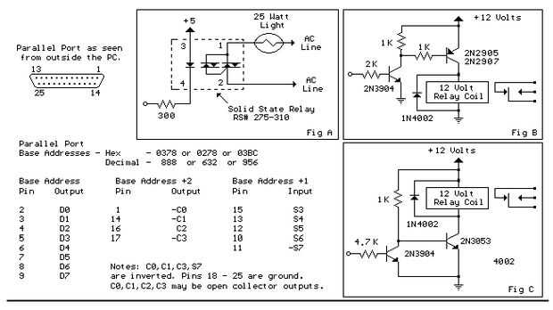
Aquí hay tres ejemplos de control de un relé desde el puerto de impresora paralelo de la PC (LPT1 o LPT2). La figura A muestra un relé de estado sólido controlado por una de las líneas de datos del puerto paralelo (D0-D7) con una fuente de alimentación 300 ohmios resistencia y 5 voltios. Se energizará el relé de estado sólido cuando se escribe un "0" en la línea de datos. Figura B y C muestran relés mecánicos controlados por dos transistores. Se energiza el relé de la figura B cuando se escribe un "1" en la línea de datos y el relé en la figura C es energizado por escribir un "0" a la línea. En cada uno de los tres circuitos, se realiza una conexión común del lado negativo de la fuente de alimentación a uno de los pines de tierra de puerto (18-25).
Hay tres posibles direcciones base para el puerto paralelo que puede hay que probar todas las tres direcciones base para determinar la dirección correcta para el puerto que usas pero LPT1 usualmente es en Hex 0378. El QBasic "OUT" comando puede utilizarse para enviar datos al puerto. Hacia fuera y H0378, 0 establece bajo D0-D7 y OUT & H378, 255 establece D0-D7 alto. El puerto paralelo también ofrece cuatro líneas de control (C0, C1, C2, C3) que pueden ser alto o bajo por escribir datos a la dirección base + 2 por lo que si la dirección base es hexagonal 0378 la dirección del control de cierre sería hexagonal 037A. Tenga en cuenta que tres de los bits de control se invierten por lo que escribir un "0" para el cierre de control será C0, C2, C1 y C3 alta baja.