COG-quema conjunta de pierna (Servo Durable) (2 / 4 paso)

Paso 2: Cableado el Arduino Pro Mini

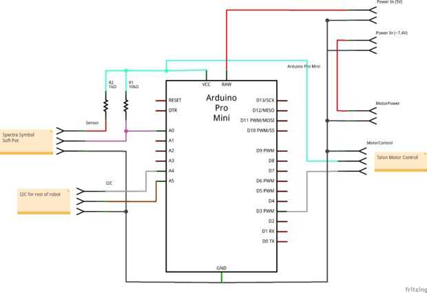
Se trata de localizar de todos los pasos. El Arduino Mini Pro utiliza su interfaz I2C para comunicarse con la PC principal. La entrada para el control del motor del Talon es una simple señal de servo. Hemos utilizado la biblioteca de Servo de Arduino pero en cambio para servo.write sólo utilizamos servo.writeMircoseconds para tener un control un poco más fino o la posición del servo. Nuestra comunicación a través de I2C limitarla a 0 a 180 para que precisión probablemente más se utilizarían con el control del PID, cuando se implementa. Que no sea el I2C y el Servo salida el otro dispositivo conectado al servo es el softpot SpectraSymbol. La red del resistor se utiliza para proteger el sensor y asegurar que el valor vaya a 1023 si no hay suficiente presión en el softpot.

Artículos Relacionados

COG-Burn viraje buey pies

COG-Burn viraje buey pies

Esta es una de las piezas más experimentales que ponemos en Cog-quema nuestra #DARPADRC final Robot. El concepto es que el pie gira libremente en la parte superior del pie, el tobillo por falta de una palabra mejor. Este es un simple "lazy susan"
Tachikoma Edison

Tachikoma Edison

Todo el mundo que ha visto o escuchado de un Tachikoma quiere un Tachikoma. Son un ejemplo de un robot que no trata de imitar a un humano para lograr tareas complejas. Son super ágiles, puede rebotar fuera de edificios y armamento impresionante pack.
Tabla de embutido fósil

Tabla de embutido fósil

hace 150 millones de años una criatura tendiendo un puente entre los dinosaurios y los pájaros cayeron al suelo, muerto y estaba cubierta de capas de tierra. Minerales habían substituido sus huesos sobre el Milenio, conservando para siempre su forma.
PIXAR DIY: Lámpara Luxo Jr.

PIXAR DIY: Lámpara Luxo Jr.

Hola Instructabrarians!Si muchos de ustedes no saben, la semana pasada fue el 17 de agosto y el aniversario de un ocasión muy trascendental, histórico que inevitablemente revolucionó la animación y redefinió las perspectivas en Ciencias de la computa
Impresora 3D robótica

Impresora 3D robótica

actualizar - 04/08 / 2K 14Hola todos, he sólo está registrado en mi cuenta de instructables después de perder la información de inicio de sesión. Su sido un rato largo. Soy increíble por la popularidad de este proyecto y qué ha sido de un concepto ta
Cómo hacer una pierna de servo

Cómo hacer una pierna de servo

este instructable le mostrará cómo crear una pierna simple servo que puede ser controlada por los botones en un arduino o vía serie.Aquí hay un video de la pierna en acción http://www.youtube.com/watch?v=Q8i1nrPIJvoMaterial de pierna:Popsicle palos-A
Servo controlado mono Palmas--Santa Claus tienda 2016

Servo controlado mono Palmas--Santa Claus tienda 2016

Este servo motor controlado Palmas mono es uno de muchos dispositivos móviles se encuentran en 2016 de pantalla de Navidad. Esta toma en el mono caja estará acompañada por elfos, Santa y juguetes inusuales para llevar a cabo un programa de electromec
¿Cómo hacer una pierna de madera (falsa)

¿Cómo hacer una pierna de madera (falsa)

pensando en ser un pirata y necesita una pata de palo pero se unen a tu propio?Paso 1: ResumenDisfraz: Pirata (pirata corporativo en este caso - voy a ser un traje y tomar sobre otras empresas! Arrrgh!)Objetivo: Crear una pata de palo, porque actualm
Quemó los colonos de Catan tablero de madera

Quemó los colonos de Catan tablero de madera

que recientemente decidí hacer mi tablero de los colonos con los siguientes objetivos:-Más durable que la cartulina-Más guapa que cualquier cosa que podría comprar-Fácil de usar en lugares de poca luz-Total costo en $60Terminé de hacer al tablero del
Frankentorretas (Portal 2) con espasmos de piernas

Frankentorretas (Portal 2) con espasmos de piernas

Cuando he jugado Portal 2 estaba tan emocionado como lindos y malos(y simplemente impresionante) todo es que decited para construir algo de ese juego.mi cosa favorita en el juego:Las FrankentorretasIt´s una mezcla de un cubo y torreta centinela dos.A
Banco de madera contrachapada de Batman bricolaje con Shou Sugi prohibir las piernas

Banco de madera contrachapada de Batman bricolaje con Shou Sugi prohibir las piernas

Sobre todo tuve ahí la madera contrachapada, pensé yo probar y ver lo que parecería una incrustación de madera contrachapada. Utilizando el símbolo del caballero oscuro como el embutido.También probé prohibición de Sugi Shou (Japon fuego ardiente) po
Pirograbado, o cómo quema madera arte

Pirograbado, o cómo quema madera arte

"pirograbado es el arte de la decoración de madera u otros materiales con queman resultantes de la aplicación controlada de un objeto caliente como un poker." - WikipediaEn este Instructable le mostrará cómo tomar una imagen y grabarla en un ped
Madera quema Sauna DIY

Madera quema Sauna DIY

este es mi primer Instructable pero han utilizado muchas ideas y me encanta la entrada de la comunidad!Yo vivo en Michigan downstate y fue a la Universidad en el proceso se reunió un equipo entero de finlandeses y fue introducida a la Sauna! y su pro
Producción girando las piernas

Producción girando las piernas

Como ebanista, torneado no es realmente una habilidad común en Australia. Afortunadamente su mi hobby y tengo el torno, por lo que me han dado todo el trabajo que daba vuelta para mi trabajo. Producción girar bastante diferente al aficionado como me