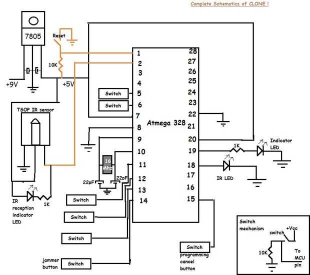
Paso 3: El circuito


He hecho el tablero MCU por separado, así que puedo utilizarlo para otros proyectos
demasiado... no es más que un mega328p mínimo pelado, con externos 16Mhz
Cristal, dos condensadores de 22pF, un 7805 regulador de voltaje con dos 0.1uF tapas
todo es entrada y salida y un botón, acompañan con un 10K
Tire hacia arriba de la resistencia.
Usted puede construir el circuito completo en una tabla, o usted puede construir un
Escudo personalizado he construido para mi versión de Atmega328p desnuda
mínimo... debe tener cuidado para que las clavijas de coincidir exactamente.
Sólo tienes que estudiar y hacer el circuito... Estoy dejando el diseño parte hasta que usted.
No estoy familiarizado con el circuito de elaboración de softwares, por lo que dibujé en MS paint...
La configuración del Pin. de mega168 y 328p son las mismas... He adjuntado el 168 aquí.