Paso 5: electrónica













Encontrará aquí el proyecto Step-up:
He añadido dos requisitos más para este proyecto:
- Módulo de TEG debe ser protegido contra el sobrecalentamiento
- iPhone tiene que protegerse a altos voltajes
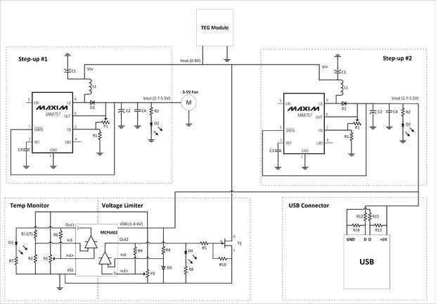
Regulador de voltaje y temperatura Monitor:
Módulo de TEG se romperá si temperatura superior a los 350 º c en el lado caliente o 180 º c en el lado frío. Para advertir al usuario construí a un monitor de temperatura ajustable. Se encenderá un LED rojo si la temperatura alcanza un cierto límite que se puede establecer como usted tiene gusto.
Cuándo usar a tanto calor el voltaje irá encima de 5V y puede dañar determinada electrónica. El elevador puede intensificar solamente y no. No he podido encontrar una solución que hace ambas cosas y diseñado de tal modo mi limitador de voltaje ajustable. Combina un amplificador operacional y un Diodo zener para detectar una cierta tensión y entonces alimentar la señal de salida a un transistor MOSFET. El transistor voluntad acceso directo de la fuente de toda energía pero sólo si más alto que el límite de voltaje (5V). Que rápidamente aumentará la corriente y ya que el módulo de TEG tiene un efecto de salida limitada, en consecuencia, caerá la tensión de salida. Que medios se quemará lejos toda la energía como calor, pero al mismo tiempo mantener una tensión muy estable, simplemente no puede exceder 5V. También se convierte en un LED por lo que el usuario puede bajar la fuente de calor hasta que el LED se apague otra vez. Una solución más sencilla sería usar sólo un Diodo zener para alimentar voltaje de la salida a tierra si la anterior 4.7V. Pero eso no es tan distinto y probablemente se queman. Sólo pude encontrar un zener 5W y eso no es suficiente.
El corazón de este circuito es un amplificador operacional de bajo voltaje. Yo uso un MCP6002 que opera en 1.8-6V. Cuenta con dos unidades dentro que significa que se pueden combinar tanto la temperatura del monitor y limitador de tensión con el mismo circuito.
Cómo construirla es similar al proyecto Step-up, mira eso primero! Componentes necesarios:
- IC: MCP6002
- Zócalo de 8 pines para CI
- R3, R4, R5: 1KΩ
- R6: 22KΩ
- R7, R8: 470Ω
- R9: 100KΩ
- R10: 10KΩ
- R11: Sensor de temperatura PT1000
- R12, R13: 68KΩ
- R14, R15: 47KΩ
- P2, P3: 1KΩ (tal vez 10KΩ funciona, no probado)
- D3, D4: LED rojo
- D5: 4.7V Diodo zener, bajo efecto
- T1: Transistor MOSFET alto efecto, BUZ12 o similar
Construcción:
- Echa un vistazo a mi disposición de circuito y tratar de entenderlo lo mejor posible.
- Medir el valor exacto de R3, más adelante es necesario para la calibración
- Coloque los componentes en una placa de prototipo según mis fotos.
- Asegúrese de que todos los diodos tiene polarización correcta!
- Soldadura y corte de las patas
- Cortar carriles de cobre en placa de prototipo según mis fotos
- Añadir necesita los cables y soldarlos también
- Cortar el tablero de prototipo a 43x22mm
Calibración del monitor de la temperatura:
He puesto el sensor de temperatura del lado frío del módulo de TEG. Tiene una temperatura máxima de 180 º y calibrado mi monitor a 120 º c para advertir a tiempo. El PT1000 platino tiene una resistencia de 1000Ω a cero grados y aumenta su resistencia con la temperatura. Valores pueden encontrarse aquí. A multiplicar con 10.
Para calcular los valores de calibración se necesita el valor exacto de R3. Mina por ejemplo era 986Ω. Según la tabla el PT1000 tendrá una resistencia de 1461Ω a 120 º. R3 y R11 forman un divisor de voltaje y el voltaje de salida se calcula de acuerdo con esto:
Vout=(R3*VIN)/(R3+R11)
La forma más fácil de calibrar esto es también alimentar el circuito con 5V y luego medir la tensión en el IC PIN3. Luego ajustar P2 hasta que se alcance el voltaje correcto (Vout). I calcula la tensión como este:
(986 * 5) /(1461+986) = 2.01V
Significa que ajustar P2 hasta que tenga 2.01V en el PIN3. Cuando R11 a 120 º c, la tensión en el PIN2 serán inferior a PIN3 y gatillo el LED. R6 funciona como un disparador de Schmitt. El valor de la misma determina como "lento" el gatillo. Sin él, el LED se apaga en el mismo valor como va en. Ahora se apaga cuando la temperatura desciende aproximadamente un 10%. Si se aumenta el valor de R6 tendrá un gatillo "más rápido" y valor inferior crea un desencadenador "lento".
Calibración de limitador de voltaje:
Es mucho más fácil. A alimentar el circuito con tensión límite que desee y gire P3 hasta que el LED se enciende. Asegúrese de que la corriente no es demasiado alta en T1 o se quemaría! Tal vez usar otro pequeño disipador de calor. Funciona del mismo modo que el monitor de temperatura. Cuando el voltaje sobre el Diodo zener aumenta por encima de 4.7V caerá la tensión PIN6. La tensión al PIN5 determinará cuando se activa el PIN7.
Conector USB:
Lo último que agregué fue el conector USB. Muchos modernos teléfonos inteligentes no se carga si it´s no conectado a un cargador adecuado. El teléfono decidir mirando las líneas de dos datos en el cable USB. Si las líneas de datos se alimenta con una fuente de 2V, el teléfono "dice" conectado a la computadora y empezar a cobrar a baja potencia, alrededor de 500 mA para un iPhone 4s por ejemplo. Si se alimentan por 2.8 y 2.0V comenzará a cargar en 1A pero eso es demasiado para este circuito. Para obtener 2V solía algunas resistencias forman un divisor de tensión:
Vout =(R12*Vin) /(R12+R14) =(47*5) /(47+68) = 2.04 que es bueno porque normalmente tengo un poco debajo de 5V.
Mira mi diseño de circuitos y fotos de cómo lo de la soldadura.
Siguiente paso:
Asamblea (electrónica)