Paso 1: Revisar el diseño de la fuente de poder

La fuente de alimentación Variable cambió fue diseñada utilizando módulos estándares que podrían ser conectados usando herramientas simples y básicos de soldadura y técnicas de cableado. Dos módulos requieren modificación para que los controles del panel frontal pueden utilizarse en lugar de los potenciómetros multivuelta de PCB montado incluidos en los módulos. Estas modificaciones están cubiertas en un paso posterior.
Especificaciones de la fuente de poder
Entrada: 120 VAC (+ /-15%) 60Hz 1A carga completa
Salida 1: 1.2V - 20V @ 2 amperios
Salida 2: 1.2V - 20V @ 2 amperios
Regulación de carga: 0,5% a carga plena
Regulación de línea:. 001% de entrada de gama completa
Ruido/Ripple: 20mV RMS, 100mVpp
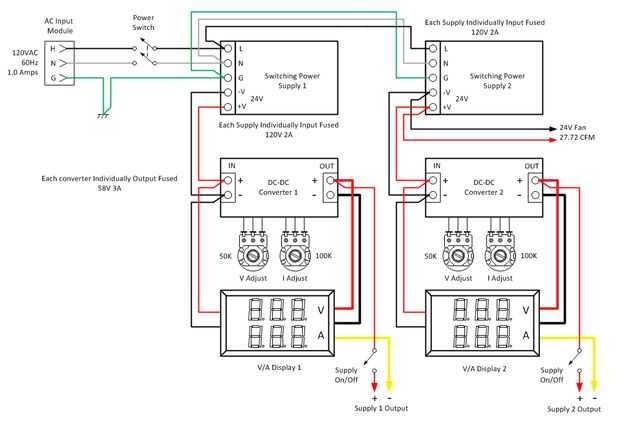
Descripción del circuito general
Alimentación de CA está conectada a la fuente a través de un módulo de entrada IEC 320-C13 AC. TOMA de tierra de seguridad se une al caso de suministro de energía y fuentes de alimentación a través de a potencia de conmutación 1 y 2. El caso de la fuente de alimentación está conectado a tierra para el circuito de alimentación de CA. DC salida tierra es eléctricamente aislada e independiente de la red de toma de tierra.
Conmutación de alimentación 1 y 2 es energizados y desenergizados a través de un interruptor de encendido iluminado DPST. Estas fuentes proporcionan la constante 24V DC requeridas para ventilador de 1 y 2, el enfriamiento de convertidores DC-DC y el V / muestra. Convertidores DC-DC 1 y 2 proporcionan salida controlada de voltaje y corriente a la fuente de poder vinculante puestos.
La tensión de salida y puntos de actuales están determinados por dos de 50 K ohmios y dos los potenciómetros de 100K Ohm sola vuelta. La conexión de alimentación positiva de DC puede desconectarse el circuito por mover el interruptor de potencia de salida hasta el apagado (abajo) posición.
Dos metros del panel proporcionan la lectura directa del punto de ajuste de voltaje y la corriente es consumida por el circuito conectado a cada fuente de alimentación. Los metros del panel utilizan una derivación tipo actual sensor inline con el conductor de tierra de CC. Potencia para cada metro (< 20mA cada uno) se toma directamente de las fuentes conmutación de alimentación de 24V.
Todas las fuentes de energía térmica y actual sobrecarga protegida e incluyen último resort del cortocircuito mediante fusibles de alimentación conmutada AC entrada y convertidor DC salida de la fuente. Refrigeración para la fuente de alimentación es forzado el aire mediante un ventilador de 27 CFM con 24V @ 100mA de conmutación de alimentación 2.
Ventajas de diseño
Para mantener el costo total alrededor de $150, sola vuelta los potenciómetros fueron utilizados en lugar de potenciómetros multivuelta de precisión. Ajuste la tensión de salida es más fácil con macetas de precisión de giro de 10, pero un juego bien hecho habría aumentado el costo de la fuente por $40. Decidí vivir con la naturaleza más incómoda de un general pote sola vuelta de propósito para ajustar la tensión de salida. Mis aplicaciones no requieren voltajes exactos. Suficientemente cerca es suficiente.
Con el fin de mantener bajos los costos y simplificar el cableado del módulo, yo no uso convertidores DC-DC con una función de sentido de tensión externa. Esto resulta en una ligera degradación en la regulación de la carga (0,5% en vez del 0,1%) debido a la desviación actual utilizada en el medidor de corriente.
El ventilador de 60 mm x 60 mm que usé es excesiva para este diseño y un poco más fuerte de lo que me hubiera gustado. Fans CFM inferiores de Delta Electronics fueron no siembran en Mouser así que decidí aceptar el overkill. Con la fuente instalada en la plataforma de instrumento apenas noto el ruido del ventilador entre todos el otro ruido del ventilador en el laboratorio.
El control de límite actual es utilizable sólo aproximadamente la mitad de su rango debido a la 5A de corriente nominal del convertidor DC-DC. Podría haber usado dos resistencias para el control de corriente para usar la rotación completa de la escala, pero no sentiste que la complejidad del cableado valió la pena. Suelen comenzar con la mínima corriente en un circuito nuevo y lentamente aumente el límite de corriente hasta alcanza un voltaje de salida estable. Añado las resistencias escalamiento más adelante si creo que es necesario.