Paso 3: piezas

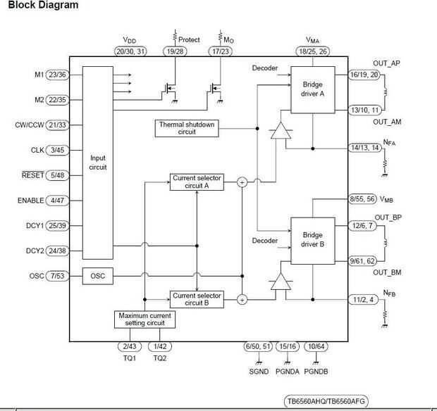
El principal componente de este circuito es el IC de controlador Motor Toshiba TB6560AHQ paso a paso. Yo tengo la mía en Mouser creo que era de $4,79. Al parecer ya que yo tengo la mía el precio ha bajado incluso menor a $4,20 una pieza.
http://www.Mouser.com/productdetail/Toshiba/TB6560AHQO/?QS=f9V0R1Mtsf2GbvN4JrPJsA%3D%3D
Estos son chips poco brillante. Usted no tiene que meterse con montaje de superficie, usted puede poner un disipador de calor en él fácilmente, todo lo que usted posiblemente puede pedir con un controlador de motor paso a paso con CNC hobby hacen. Consulte la hoja de datos:
http://www.Toshiba-Components.com/motorcontrol/pdfs/TB6560AHQ_AFG_E_2003_20080407.pdf
Qué deportivos!
La siguiente parte de la nota es los aisladores ópticos. He usado Toshiba TLP521-2 porque los encontré por barato un lugar y tenían especificaciones que me ha gustado mucho. Estoy seguro que cualquier optoisolator dual va a hacer bien en su lugar aunque. Sólo asegúrese de que su pinout coincide con lo o ajustar su diseño en consecuencia.
Por último solía un 74LS14 como amortiguador cuadrado mi señales porque Optoaisladores pueden ser un poco descuidado en ese departamento. Mi tablero de conductor también tiene su propio a bordo de voltaje regulador un 7805. Incluir diodos diagonales inversos ya que tengo cargas de diodos y no hace daño tener. Si desea puede omitir los diodos por el regulador de tensión. Todo lo demás en el tablero es un dispositivo pasivo, resistencias, condensadores, interruptores DIP, no necesitas los LEDs pero hubiera tenido que han atado fuera de las puertas sin usar si no son de todos modos así que tiré allí.
Hay dos componentes me gustaría hacer especial mención a mis conductores, los resistores de sentido actual, R5 y R6. Se nota allí es ningún valor dado para los que tienen el esquema porque para qué utilizar depende de qué motor le plan escurr el conductor. La fórmula para determinar el valor apropiado para sus resistencias puede encontrarse en la hoja de datos de Toshiba para el controlador TB6560AHQ IC en página 10 artículo 6. Trate de usar resistencias no inductivas para éstos también. Usted será probablemente pagar through al nariz conseguir las piezas correctas para que esto, más que el CI sí mismo costo! Así que preste especial atención al seleccionar estos para sus conductores. Estoy usando resistencias de 25 ohmios para hacerme 2 amperios por fase actual. Pero vas a tener que averiguar lo que necesita para su motor.