Autónoma, cartulina, Rasberry Pi controlado QuadCopter (22 / 30 paso)

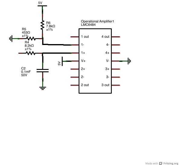
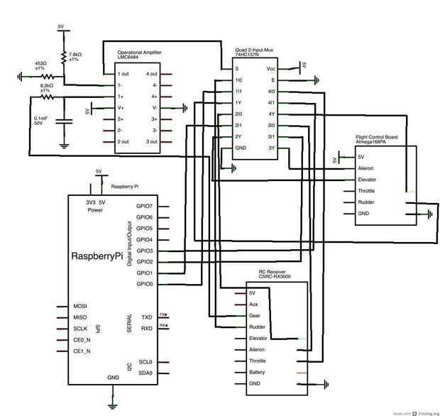
Paso 22: Sistema eléctrico

De la soldadura de los componentes eléctricos en un tablero de perf según el esquema para el disparador de Schmitt.

Artículos Relacionados

Swarmscapers: Robots de impresión 3D móvil autónoma

Swarmscapers: Robots de impresión 3D móvil autónoma

Swarmscapers es un mes 2 proyecto de larga investigación realizada en el estudio de Máquinas de arquitectura creativa , impartido por Jason Kelly Johnson y Michael Shiloh en el California College of the Arts en el Laboratorio de Arte Digital. Es una
K-9 2.0. Perro Robot controlada y Autónoma de WiFi.

K-9 2.0. Perro Robot controlada y Autónoma de WiFi.

NOTA:En el paso 22, he publicado una actualización, explicando algunos recientes cambios y mejoras que he hecho, principalmente al sistema eléctrico de K-9 y sensor de matriz que puede encontrar útiles.CaracterísticasAcrílico diseño y resistente made
Autónoma / voz controlada - 3D exploración plataforma de impresión 3D

Autónoma / voz controlada - 3D exploración plataforma de impresión 3D

La idea detrás de la voz controlada / autónoma plataforma exploración 3D permitir una digitalización captura 3D para trabajar tan suave como sea posible con el mínimo esfuerzo para la persona como realiza una exploración como para la persona cómo est
¿R/C autónoma Tonka camiones con seguimiento de cabeza de FPV (Tonka Cumbre construir)

¿R/C autónoma Tonka camiones con seguimiento de cabeza de FPV (Tonka Cumbre construir)

recuerda en el día, jugando con su gran camión Tonka, correr a través de todo, sentir que fue un impresionante camión que podría ir a cualquier parte? O ¿vives en un área urbana relativamente y le encantaría ir cubriendo pero no puede porque es demas
Bluetooth controlado Quadcopter con MultiWii

Bluetooth controlado Quadcopter con MultiWii

Para que un drone volar de forma autónoma, todos los sensores necesarios, procesamiento de energía y chips de comunicación deben ser incorporados. Mientras que puede no parecer mucho, realmente elimina un montón de existentes en la actualidad civil c
FPGA-accionado la búsqueda autónoma y rescate de vehículos

FPGA-accionado la búsqueda autónoma y rescate de vehículos

UPDATE2: revise http://www.digilentdesigncontest.com/2015-eu-contest-entries.html para el código fuente completo y la documentación.UPDATE1: añadido un nuevo módulo - 3 ejes magnetómetro (brújula digital). Consulte el paso 2 para más detalles.Este pr
Autónoma de Arduino de coches con Sensor de proximidad infrarrojo

Autónoma de Arduino de coches con Sensor de proximidad infrarrojo

Este Instructable muestra cómo modificar un coche RC preloved para que puede ser controlado por un Arduino. Entonces el Instructable le mostrará cómo hacer el RC funciona que un código simple figura 8 desde allí el Instructable le mostrará cómo agreg
Autónoma de futbolín de mesa

Autónoma de futbolín de mesa

el objetivo principal del proyecto era completar un prototipo de trabajo para una mesa de futbolín autónoma (AFT), donde un jugador humano enfrenta a un rival robótico. Desde la perspectiva humana del juego, la mesa es muy similar a una tabla regular
PiniSEA - un barco océano autónoma - mar Tracker

PiniSEA - un barco océano autónoma - mar Tracker

El vehículo verde agua autónoma para rastrear el océano. Mecánicamente se inspiró en "Wave Glider" y tiene el propósito principal para rastrear el lugar de pesca. También puede utilizar para medir la condición del ambiente en el océano (nivel de
Loro autónoma AR Drone 2.0 vuelo

Loro autónoma AR Drone 2.0 vuelo

Este instructivo le dará una forma muy sencilla y rápida (< 15 minutos) para tener un loro de AR Drone 2.0 volar autónomamente con código escrito por ti! La mejor parte de este proyecto es sólo requiere el drone y una laptop (mac o windows). Sin modi
Miniquad autónoma (software)

Miniquad autónoma (software)

Ahora que han convertido su miniquad para ejecutar del Ardupilot mini siguiendo mi anterior instructivo, es el momento de configurar el software. En realidad, incluso si han construido un Ardupilot o Pixhawk base multicopter completamente separada de
ASPIRADORA autónoma (Intel IOT)

ASPIRADORA autónoma (Intel IOT)

Este proyecto funciona en unaexcelente oferta de mecanismo reflejo. Se trata de una idea básica de desarrollo de una "aspiradora autónoma", que ayuda a reducir las tareas diarias de trabajo en casas, oficinas etc...Paso 1: IdeaEste proyecto func
Tanque de Arduino autónoma (A.A.T)

Tanque de Arduino autónoma (A.A.T)

Hola a todos, este es mi primer robot. Soy estudiante de primer año 15 año de edad. He estado interesado en robots desde el 6to grado y estado tratando de construir uno desde entonces. He decidido llamarlo A.A.T porque es un tanque de arduino autónom
Autónoma centinela Paintball

Autónoma centinela Paintball

hacer tu propio, personalizado centinela autónomo.Un subcampeón ganador y finalista del concurso de microcontrolador.Este instructable es obsoleto. Para la versión más reciente del tutorial, consulte el sitio web . ¡ Saludos!Este centinela arma autón