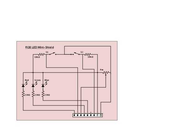
Paso 6: RGB LED Mini escudo






















Tengo unos cuantos tipos de color completo RGB LED que me enganche de vez en cuando para arriba en un protoboard, pero cuando necesito espacio en un protoboard ir hacia atrás en un cajón. Pensé que uno de ellos podría hacer un buena mini escudo. Para el resto del espacio, he incluido algunos botones más y un potenciómetro porque siempre son muy útiles.
Fui a la página del producto en Sparkfun y miró la hoja de datos. Estos al parecer se han discontinuado, pero básicamente es lo mismo para cualquier color completo RGB LED. Éste pasa a ser un cátodo común LED, si usted tiene un ánodo común LED, alambre el pin común a 5v en vez de a la tierra como lo hice.
Para seleccionar las resistencias, fui a esta página y enchufado en los valores que obtuve de la página del producto. Este sitio recomienda una resistencia de 150Ω, pero el LED sigue siendo demasiado brillante y lastimar mis ojos para ver, así que terminé yendo con resistencias de 220Ω.
Soldar el LED, los 2 interruptores y el 10 k condensador de ajuste del pote a la Junta de perf primero, luego trabajé en la adición de otras piezas. Até los cables de 5v y tierra lleva juntos y trabajado en atar los LEDs y cambia a los pines digitales y el limpiador del potenciómetro a uno de los pines analógicos. Si había pensado sobre esto, habría invertido la polaridad en el potenciómetro, porque tengo que girar la perilla hacia la derecha para disminuir y la izquierda para aumentar, que es comunmente confundida.