Paso 3: Diseñar el circuito amplificador

Mi tío me enseñó que cada circuito debe comenzar con un esquema y, a continuación, un diseño de componente. Si el esquema se dibuja bien, puede utilizarse para hacer la maqueta de piezas que hace más fácil solucionar o modificar el circuito.
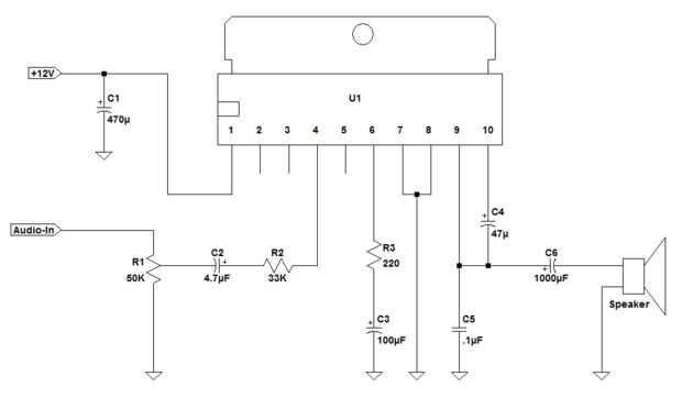
Utilizando los circuitos de ejemplo de la hoja de datos de Toshiba dibujamos el circuito que quería construir:
1. el condensador C1 se utiliza para evitar que el amplificador oscila debido a la resistencia de los cables de la fuente de energía y para ayudar a eliminar el ruido de la fuente de alimentación. Tenía un montón de condensadores de 470uF así utilicé para C1.
2. el CI está diseñado para proporcionar una ganancia de más de 400 sin partes externas. Sentíamos que era demasiada ganancia y el circuito sería probablemente oscila cuando está montado en un protoboard. Nos pareció que mejor sería una ganancia de 100 pero la hoja de datos no recomendó reducir la ganancia con partes externas a 40 dB o menos. Asi que decidimos establecer la ganancia de 200 y reducir aún más la ganancia con entrada resistencia R2. La hoja de datos indica que la fórmula para el aumento de la IC es:
(40K + R3) / R3
El mejor valor para R3 habría sido 200 ohmios. Lamentablemente no tenía una resistencia de 200 Ohm en mi inventario usé una resistencia de 220 ohmios y un condensador de derivación de 100uF C3 al pin 6 como se indica en la hoja de datos.
3. la impedancia de entrada del amplificador IC es aproximadamente de 33K, por lo que decidimos añadir una resistencia de 33K adicional al pin 4 para reducir la señal de entrada máximo a la mitad y la ganancia total del amplificador a 100 o a 40db.
4. condensador C4 es recomendado por la hoja de datos para ayudar al amplificador de salida oscile entre las guías de suministro de energía que mejora la eficiencia del amplificador IC. Usé 47uF para este condensador como se indica en la hoja de datos.
5. condensador C6 permite al amplificador ser usado con una fuente de alimentación balanceadas (+ 12V y GND). Normalmente la salida del IC se establece en 1/2 de la tensión de alimentación que no se puede conectar directamente al altavoz sin la quema y/o IC hacia fuera. C6 bloquea la salida de la C.C. de la IC y pasa el audio amplificado a los altavoces.
6. para ajustar el nivel de señal de entrada que usamos un 50K ohm potenciómetro que proporciona una impedancia lo suficientemente alta para las fuentes de línea estéreo que quería usar sin ser tan alto hum ser recogido cuando la entrada estaba desconectada.
7. la ficha técnica recomendada conectar un condensador de .1uF C5 a través de la salida del amplificador para impedir que ser acoplada dentro o fuera del amplificador de RF.
Una vez que tuvimos todos los valores del circuito elegidos, verificado que tenía estos valores en inventario. Después de yo estaba listo para comenzar a construir.