Paso 3: Instalación de LCD


Usé el LCD para mostrar el mensaje de los movimientos de coches y obstáculos.
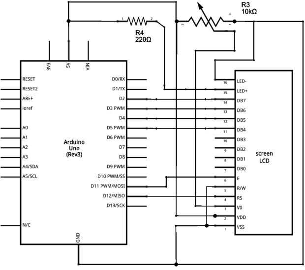
La librería LiquidCrystal permite pantallas de control LCD que son compatibles con el controlador HD44780 de Hitachi. Hay muchos de ellos por ahí, y generalmente se puede saber por la interfaz de 16 pines.
- Hardware requerido
1-Arduino o Genuino tablero
2-pantalla (compatible con controlador Hitachi HD44780)
cabeceras de 3 pines para soldar a la pantalla LCD mostrar pins
potenciómetro 4-10k ohm
resistencia 5-220 ohm
6-gancho-up cables
7-protoboard
2. circuito
Pin de RS 1-LCD para pin digital 12
2-LCD permiten a pin digital pin 11
3-LCD D4 a pin digital pin 5
4-LCD D5 a pin digital pin 4
Pin de D6 5-LCD para pin digital 3
6-LCD D7 a pin digital pin 2