Paso 23: Instalar la placa del LCD/de la cañería del Alumium








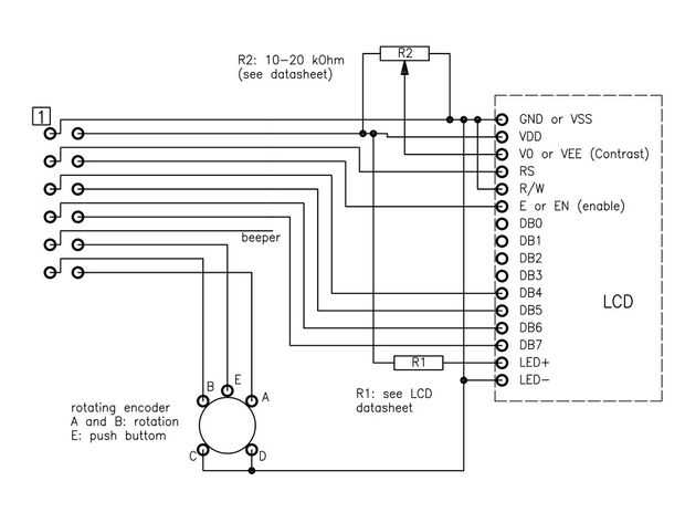
Al principio tienes que echar un vistazo a mi archivo de 360 de fusión para las dimensiones de la placa de aluminio. Para saber las dimensiones, donde tienes que cortar el alumnio. Después de que usted agregue el LCD a la placa de alumnio, haces un "LCD-PCB" detrás de la pantalla LCD, porque allí se puede ajustar el contraste de la pantalla LCD. También deberás instalar el codificador y el "botón atrás".
Una vez que tengas placa tornillo Alumnium-frente al marco, puede quitar la hoja de seguridad de las placas de alumnio.
Sugerencia: Prueba de la pantalla LCD antes de conectar la placa de frente con el marco!
Luego tienes que abrir el Firmware Marlin4Due. Y pasar por debajo de RAmps4Due pins.h. Allí usted puede ver donde tienes que instalar los cables de la pantalla a las rampas hackeado 1.4.
"
.......
#ifdef ULTRA_LCD
#ifdef NEWPANEL
#ifdef PANEL_ONE
#define LCD_PINS_RS 32
#define LCD_PINS_ENABLE 47
#define LCD_PINS_D4 45
#define LCD_PINS_D5 43
#define LCD_PINS_D6 41
#define LCD_PINS_D7 39
#else
#define LCD_PINS_RS 32
#define LCD_PINS_ENABLE 47
#define LCD_PINS_D4 45
#define LCD_PINS_D5 43
#define LCD_PINS_D6 41
#define LCD_PINS_D7 39
#endif
........
"
También puede utilizar sus pernos de costom, simplemente cambiando el número pin.