Paso 6: La versión avanzada


La versión avanzada es avanzada en Hardware como en Software. El hardware se amplía con varios módulos a elegir. El software es extendido para soportar esto pero también tiene un montón de nuevas funcionalidades como la detección de tiempo de ahorro de luz de día y el registro de las cosas.
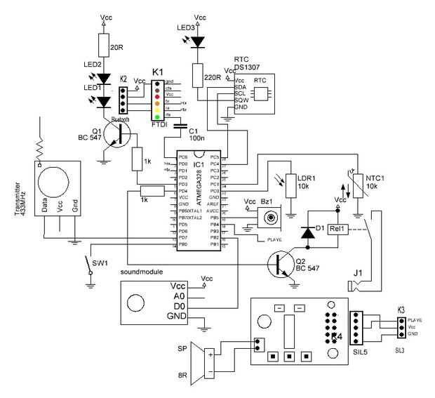
He añadido el siguiente hardware:
Con transmisor infrarrojo
Resistencia de 20 Ohm
resistencia de 1 k
940 de 2 IR LED nM (yo uso el IR204 y SFH485)
1 transistor de x BC547
Con NTC
una NTC
Con ladridos de perro
Módulo de MP3 + interruptor remoto
Con relé interno
1 transistor de x BC547
resistencia de 1 k
1x1N4148 diodo
V2340-A0001 B201 Relais u otro relé de v 5
Con detección de sonido
Tapa con salida digital
Con la sugerencia de movimiento
Cheque este instructable
con 433 MHz RenoteSwitch
Con simulación de TV
Cheque este instructable
con 433 MHz RemoteSwitch
Con Bluetooth
Módulo Bluetooth HC05 o HC06
Con un mensaje hablado
Placa de grabación digital de voz
Sólo algunas observaciones:
En lugar de un RTC DS1307 utilizo un módulo RTC DS3231 que también tiene una EEPROM. Yo uso esa EEPROM para el almacenamiento de varias banderas de estado. Si tienes un módulo de DS1307 con EEPROM por supuesto también es utilizable.