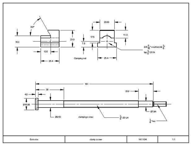
Un tornillo de la máquina pequeña de perfil bajo (4 / 8 paso)

Paso 4: tuerca

creo que se echan las tuercas de fábrica, tuvo más bajo y presentación para hacer la forma que podría extender hacia delante de la cara angulada. Que corte el ángulo con una fresa de cola de Milano de 60°. Perforé la tuerca con ella asegurada a la base después de la primera perforación a piloto en la base para que la configuración era la misma.

Artículos Relacionados

Máquina de la garra de bajo costo

Máquina de la garra de bajo costo

Esta máquina de la garra de bajo costo está hecha de elementos Lego Technic y Lego funciones de la energía. Es un gran mini juego para DIYers y los fabricantes.La imagen es más que una versión a pequeña escala sin los motores.Paso 1: materiales3-Lego
Una máquina pequeña Tea Timer (TTT) para Arduino y ATtiny

Una máquina pequeña Tea Timer (TTT) para Arduino y ATtiny

TinyTeaTimmer (TTT) es una implementación de un pequeño accesorio que fácilmente puede ser montado y programado usando un interruptor, un botón, 1 o 2 LEDs, un pequeño servo motor y una placa Arduino o un procesador ATTiny.Puede encontrar los archivo
Correa de entrenamiento potty para ASD

Correa de entrenamiento potty para ASD

trastorno del espectro autista es una diferencia estructural cerebral con un fuerte componente genético.Personas en el espectro del autismo tienden a tener dificultad con la propiocepción (conciencia corporal).  Entrenamiento puede ser especialmente
Prop con pequeña máquina de humo y niebla enfriador de la etapa (de los baratos)

Prop con pequeña máquina de humo y niebla enfriador de la etapa (de los baratos)

aka "bajo presupuesto pequeño Fogger de la tierra - parte 2"Se trata de un apoyo de la etapa de la obra "Killerinstinkt" que tendrá su estreno en el escenario en unas dos semanas. Será la pieza central en una mesa moderna lujo que debe
Máquina rutinaria mañana

Máquina rutinaria mañana

La vida se está acelerando a un ritmo vertiginoso, y tiempo es más valioso que nunca. Si eres como yo y le gustaría exprimir cada segundo extra fuera de todos los días, ¿por qué no construir una máquina, una máquina maravillosa, mágica, para automati
Lash out! -Cómo hacer una máquina más precisa

Lash out! -Cómo hacer una máquina más precisa

El juego es bueno, pero no en una fresadora. No hay nada más frustrante que trabajar en una fresadora, pero con mucho juego en las ruedas lo que es casi imposible hacer un trabajo preciso.Juego en las ruedas se llama "latigazo". En este Instruct
Máquina de combinación del CNC y la impresora 3D

Máquina de combinación del CNC y la impresora 3D

Cómo hacer tu propia máquina CNC 2D que se convierte en una impresora 3D y a una máquina de CNC en menos de una hora. Cuesta menos que un CNC de la máquina o impresora 3D! (~ $1.000,00) Además, el diseño más allá de la tradicional impresora 3D impres
Frambuesa Pi impulsado máquina Arcade de la tapa de la barra

Frambuesa Pi impulsado máquina Arcade de la tapa de la barra

Estaba navegando cuando me topé con rbates4 y su máquina de arcade de frambuesa Pi powered Instructables.Pensé hey que tengo un repuesto monitor DVI, un X-arcadepalo y un deseo de juguetear con el microordenador de la Raspberry Pi. Voy a tener que co
La máquina de algodón de azúcar de bolsillo

La máquina de algodón de azúcar de bolsillo

estás caminando por la calle y de repente tienes un antojo. Para algodón de azúcar... Pero el carnaval acaba de dejar ciudad, ¿qué harás? No hay que preocuparse, usted tiene la máquina de algodón de azúcar de bolsillo!Nota: no asumo ninguna responsab
Actualización de Control de máquina CNC con un presupuesto

Actualización de Control de máquina CNC con un presupuesto

¿Tienes una antigua afición fresado máquina sentado inactivo debido al bajo rendimiento o incluso una nueva máquina que no viene con un controlador? O ¿desea su máquina para correr más rápido o para controlar utilizando una computadora Macintosh? Con
Otro más inútil máquina jamás

Otro más inútil máquina jamás

si es tu primera vez viendo una más inútil máquina siempre (MUME), es una máquina que, cuando, al instante se apaga. Si estás pensando en construir uno, le animo a mirar otros en Instructables (después de que has estudiado minas bien!) y ver el vídeo
Quitar el tornillo Torx (estrella) de seguridad con un destornillador de cabeza plana

Quitar el tornillo Torx (estrella) de seguridad con un destornillador de cabeza plana

Tornillos de Torx de seguridad, las cabezas de tornillo de estrella de seis puntas con el perno en el centro, se utilizan en muchos objetos digitales para evitar su alteración. Quitar un tornillo torx de seguridad puede ser una molestia para aquellos
Medida de tornillo de ojos

Medida de tornillo de ojos

mi esposa es hacer un banner para la Convención de la mujer. El Reglamento estipula que un ojo de tornillo debe ser utilizado en cada extremo de una barra transversal de gran pasador. Ojos de tornillo con un diámetro pequeño para caber el cordón para
Pequeño generador de Wimshurst de cartón y CD

Pequeño generador de Wimshurst de cartón y CD

La máquina de Wimshurst influencia era una máquina popular a finales del siglo XIX para generar altos voltajes.De su desarrollo ~ 1883 había reemplazado otros dispositivos tales como las máquinas "Holtz" y "Voss". Fue una de las primer