Paso 4: Esquemas y cableado








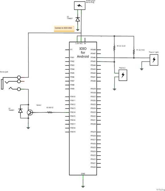
Ahora viene la parte difícil: soldadura y cableado de los conectores de termómetro y poder el IOIO. Para hacerlo más fácil soldado las cabeceras de Arduino a la placa de circuito. Los pernos en las cabeceras de Arduino son más largos y calcen bien en las cabeceras que se sueldan a la IOIO. Ver las fotos. Al insertar los pines de Arduino en la cabecera el Asegúrese de IOIO Alinee correctamente. Tendrá que recortar la placa de circuito; Si es así dejar un margen en un extremo para la celebración de los circuitos del ventilador.
Comience agregando el circuito para uno o dos termómetros. Cuando se tiene atado con alambre para arriba que puede iniciar el Supervisor y conectarlo a la IOIO. Usted debe ser capaz de leer correctamente los termómetros. Una vez que trabajan agregar los cables de los otros termómetros. Usted debe tener al menos dos termómetros y puede tener un máximo de seis. El termómetro del "hoyo" es el conectado al pin 46; Este es el que el controlador se utiliza para emparejar a la temperatura deseada. Pernos de 45-41 corresponden a termómetros 2-6.
El Supervisor debe mostrar una temperatura exacta para los termómetros. Puede probar la exactitud mediante el uso de los termómetros con agua caliente y compárelo con otro termómetro. Si no tienes otros termómetros, hervir el agua; el Supervisor debe registrar temperaturas de 212 grados.