Paso 3: Antecedentes: Cómo trabajan la fuente de alimentación y reproductor de sonido de un timbre inalámbrico típico



Hay un montón de partes que componen un timbre inalámbrico. Pero para este proyecto, sólo tiene que preocuparse con la alimentación y el altavoz.
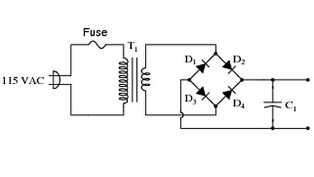
Un timbre de puerta inalámbrico de CA va a tener un convertidor DC AC a 120 voltios AC en una señal pequeña de DC (generalmente cerca de 12 voltios). Para bajar la tensión, puede usar un transformador o sólo un resistor de la energía. Entonces para convertir la señal AC de onda sinusoidal a una serie de pulsos de CC, suelen utilizar cuatro diodos dispuestos como un rectificador de puente de Plaza. Por último se añade un condensador para suavizar los pulsos de DC en la señal de DC más constante.
Tenemos que identificar el positivo y negativo de las líneas de DC en la salida de la CA a CC. La forma más sencilla de hacer esto es observar la orientación del condensador. Un lado del condensador se marcará con un signo negativo grande. Esto está conectada a la salida negativa de la fuente de alimentación. El otro lado está conectado a la salida positiva de la fuente de alimentación.
A continuación es necesario comprobar cómo el altavoz está conectado con el resto del circuito. En la mayoría de los casos el terminal positivo del altavoz se conectará a la tensión de alimentación positiva de la fuente de alimentación. El terminal negativo del altavoz se conectará con el colector de un transistor NPN. El emisor del transistor se conectará al borne negativo de la fuente de alimentación. La base del transistor se conectarán a los chip del procesador. Puede haber una resistencia entre ellos. Para reproducir el tono, el chip envía una serie de pulsos para el transistor. El transistor entonces rápidamente conecta y desconecta el terminal negativo del altavoz al terminal negativo de la fuente de alimentación. Esto hace que el altavoz para reproducir un tono.
En este proyecto conectará a los terminales positivo y negativo de la fuente de alimentación y el transistor de salida en el terminal negativo del altavoz.