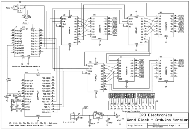
Paso 1: El nuevo hardware - tablero de regulador esquemático

MEJORES CONDUCTORES
Mi reloj original utiliza transistores discretos para conducir la matriz de LEDs. Me he dado cuenta que mientras que este enfoque funciona bien para un proyecto que he construido para mí, hace más compleja para que otros puedan construir, por lo que este nuevo reloj usa ULN2003A conductor ICs. El ULN2003A contiene un conjunto de transistores darlington en un conveniente paquete de la inmersión, así que hay mucho menos soldadura para hacer.
UN NUEVO PCB
También re-he diseñado el PCB para hacer la construcción mucho más simple - Arduino el controlador simplemente se conecta a la placa nueva. Si quieres, una vez que han construido el reloj, puede recuperar tu placa Arduino comprando un ATMega168 con un gestor de arranque y pueblan el PCB con sólo el nuevo microcontrolador y un cristal.
¿ESTO ES SÓLO UN NUEVO ESCUDO?
En el espíritu de desarrollo de Arduino, sería justo decir que el tablero de regulador era un escudo de driver 24 salida LED (o relé). Es feliz encender un gran conjunto de bobinas de relé de 12 voltios 24, como está convirtiendo en un banco de LEDs.
A continuación encontrará el nuevo esquema para la Junta de controlador como un archivo PDF.
Tenga en cuenta que debe buscar en el paso 4 para entender qué resistencias a utilizar. No simplemente use 360R y 36R con tensiones de alimentación por encima de 10v. Usted necesitará usar 680R y 270R en su lugar.