Termoeléctrica USB cargador - de electricidad de la red. (12 / 13 paso)

Paso 12: Construir el paso circuito

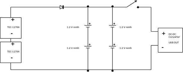
Soldar el circuito para el paso convertidor. Los peltiers están conectadas a la batería a través del diodo 1N4001. El paso convertidor está conectado a la batería a través del interruptor.

Nota: El conector de 3,5 mm que se muestra no fue utilizado en la versión final.

Artículos Relacionados

Nevera Mini USB casera DIY Frefrigerator refrigerador aire acondicionado enfriador Peltier termoeléctrica por envases de espuma

Nevera Mini USB casera DIY Frefrigerator refrigerador aire acondicionado enfriador Peltier termoeléctrica por envases de espuma

Refrigerador del USB casera DIY Frefrigerator refrigerador aire acondicionado enfriador Peltier termoeléctrica por tarrinas de FoamMateriales:Caja de envases de foamPeltierVentilador de ordenador
USB cargador de moto resistente al agua - debajo de $10.

USB cargador de moto resistente al agua - debajo de $10.

Necesitarás:1. USB cargador de coche (yo tengo la mía por $4.99).2. linterna (yo tengo la mía gratis)3. 2 abrazaderas.4. algunos cables.5. soldador.6. un taladro.Paso 1: Desmontar un cargador y linterna. 1. Retire la batería de la linterna.2. Desenro
Generación de energía termoeléctrica (TEG)

Generación de energía termoeléctrica (TEG)

Estos videos documentan mis primeros intentos de generación de electricidad de un dispositivo termoeléctrico de peltier en 2012. El TEG que usé es una unidad de alta potencia capaz de soportar altas temperaturas y especialmente diseñado para la gener
Termoeléctrica ornamento rotatorio

Termoeléctrica ornamento rotatorio

Fondo:Se trata de otra termoeléctrica experimento/ornamento donde toda la construcción (vela, calientes, lado fresco y módulo) es giratoria y calefacción y refrigeración con un equilibrio perfecto entre el módulo de potencia, par motor y rpm, eficien
Iluminación de emergencia termoeléctrica baja tensión

Iluminación de emergencia termoeléctrica baja tensión

La idea es que el aceite utiliza para cocinar y ahora no necesita más, se puede utilizar para la iluminación.No super brillante pero es un prototipo muy y para emergencias es suficiente.CÓMO FUNCIONA:Calor de una vela se va a través del módulo Peltie
Abrir fuente Solarpad Kit Solar USB cargador

Abrir fuente Solarpad Kit Solar USB cargador

Por favor haga clic abajo para visitar nuestra página de proyecto de Kickstarter para Solarpad!http://www.Kickstarter.com/projects/249225636/sola..."Por último, un correcto Cargador Solar para excursionistas y ciclistas" - culto de Mac¿ Can un c
¿DIY USB Cargador Solar portátil ($20-4 puertos)

¿DIY USB Cargador Solar portátil ($20-4 puertos)

Dreamed de hacer un "Muy fiable" y barato USB cargador solar portátil? Aquí está un tutorial rápido, revelando Cómo hice mía con un presupuesto de menos de $20!___________________________________________________________________________________Te
Altoids Smalls Solar Powered USB cargador

Altoids Smalls Solar Powered USB cargador

este instructable le mostrará cómo hacer tu propio cargador USB accionado solar fuera de una lata Altoids Smalls. Es una forma de respetuoso del medio ambiente para conservar la energía. El Panel Solar que estoy utilizando para este proyecto tiene un
Casera DIY Portable Power banco exterior batería USB cargador teléfono móvil inteligente

Casera DIY Portable Power banco exterior batería USB cargador teléfono móvil inteligente

Casera DIY Portable Power del Banco exterior Backup USB cargador de batería Smart teléfono móvil con batería mantenga, Laptop células 18650 nueva (compra de EBay) o tomar de pilas portátil rotas, caja de toma de viejo módem ADSL,Módulo de TP4056 comp
Advanced USB cargador de batería

Advanced USB cargador de batería

Hola a todos,Cargadores de USB puertos en equipos siempre ha sido absolutamente un poco de una molestia para mí. Esto lo digo porque tengo 2 reproductores de mp3 y pronto voy a propio y Amazon Kindle. Así que empecé en la construcción de un adaptador
Pluma del USB - cargador de

Pluma del USB - cargador de

Este instructable le mostrará cómo hacer pen-cargador del usb, pluma del metal, y un cargador de coche usb...Paso 1: Se necesita... Yuo tendrá >Paso 2: abierta... Abrir su usb cargador de coche...Paso 3: soldar... Ánodo y el cátodo a los cables de la
Acondicionador de aire Auto termoeléctrica / calentador

Acondicionador de aire Auto termoeléctrica / calentador

Acondicionador de aire Auto termoeléctrica / calentadorOK, tengo un viejo 78 Ford camión sin aire y sin calefacción. El motor de calefacción y ventilación se han ido. La izquierda lo único que es el núcleo del calentador. Por lo tanto, puedo ir al co
Knex USB / cargador de pared

Knex USB / cargador de pared

no te olvides de votar por este en el concurso USB!Vi algo parecido a este en línea un día. Me pareció una idea genial, pero yo no iba a gastar dinero en algo que pude hacer mi auto. Este sistema le permite suspender tu USB cargado o toma de corrient
USB cargador de teléfono para algunos LG, MOTOROLA y BLACKBERRY

USB cargador de teléfono para algunos LG, MOTOROLA y BLACKBERRY

bueno lo primero de que necesitaba un cargador de teléfono para mi teléfono,muy triste que algunas de las fotos no son muy claras que llevaron con mi cámara del teléfono y en un lugar iluminado bajo imPaso 1: Materiales necesarios primero lo que se n