Sistema de Targeting la bola con comentarios positivos (2 / 15 paso)

Paso 2: Montar el circuito

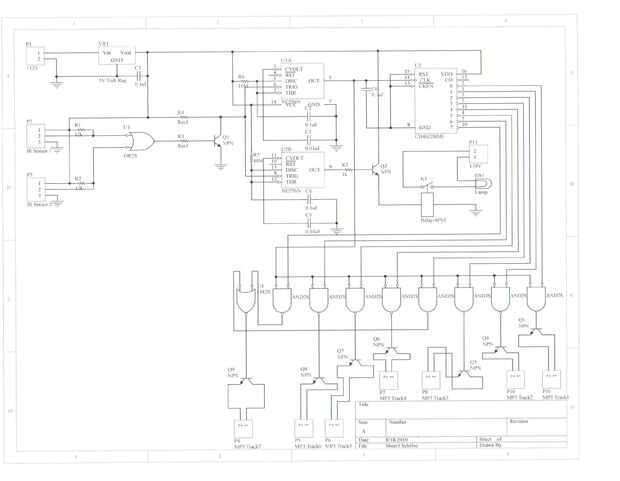
Los circuitos del dispositivo de destino de la bola está diseñado para detectar objetos (pelota) que pasan por la zona de destino y generar un pulso de disparador de 5V, que activa dos circuitos temporizador independiente (longitud 2s y 6s). Para detectar un objeto, se han instalado 2 sensores de IR (Sharp), ambos con un emisor de infrarrojos y un receptor. Ambas salidas de sensor a una entrada dual o puerta, para asegurar que un) no interfieren con sus señales y b) en caso de activación de alguno de los sensores (o ambos), se generará un pulso de disparador único de 5V (TTL). Tanto de los circuitos del contador de tiempo se desencadenan con el flanco descendente de la señal de entrada. El transistor Q1 (esquemático) se tire hacia abajo de la tensión (5V) en las entradas de los contadores de tiempo y crear un flanco descendente en el evento de un objeto detectado. El temporizador 1 (U2A – esquemática) generará un 2s señal, que se alimenta en el mostrador y en una de las entradas de los 8 doble entrada y puertas. El contador cuenta 1 para arriba y activar la salida seleccionada. Desde la salida del contador (una vez activado) permanecerá en "alta" hasta el siguiente conteo de pulso, salida cada uno alimenta en una puerta y doble. Esto lleva la ventaja, que junto con el pulso de sincronización de 2s, la salida de la puerta y activada sólo será alta para max. 2S. Si las salidas del contador se alimenta directamente en el módulo de MP3, el módulo sería reproducir canciones en un bucle constante. Puesto que el módulo MP3 tiene solo 7 entradas para control de hardware, 2 de las salidas del contador (3 y 7 en este caso) alimentan una doble entrada o puerta (CI mismo utilizado para los sensores) y de allí al módulo de MP3. El temporizador 2 incorpora una resistencia mayor, que aumenta la longitud de la señal generada a cerca de 6s. Esta señal activa un relé SPST, tiras de que se encienda el diodo IKEA como la parte de retroalimentación visual del sistema.

Ver el diagrama del circuito para obtener más información.

Artículos Relacionados

Sistema de riego automático con sonda capacitiva y Arduino en el barato (y serio)

Sistema de riego automático con sonda capacitiva y Arduino en el barato (y serio)

Descargo de responsabilidad: Yo no soy un ingeniero en electrónica, por lo que no puedo ofrecer ninguna garantía para el diseño (mucho menos para su implementación). Sólo sé la presentó solución trabajada para mí por lo menos unos 5-6 meses (por lo q
Hackear un juguete de circuito de bolas con frambuesa Pi

Hackear un juguete de circuito de bolas con frambuesa Pi

El concepto es hackear un circuito de bolas con frambuesa ordenador Pi 2 Kano y agregar un sensor y luces para más diversión.El circuito de bola es una Energía Solar circuito de Miniland. La idea es quitar la energía solar y la energía del circuito d
Cómo hacer un molino de bolas con lego y un tubo de pvc - incluye archivo de diseño digital

Cómo hacer un molino de bolas con lego y un tubo de pvc - incluye archivo de diseño digital

saludos y Bienvenidos a mi Instructable sobre cómo hacer un molino de bolas con lego y tubo de PVC.Este instructable ahora incluye un diseño digital 3D y 3D instrucciones de cómo hacer este molino de bola.la versión Html de la guía es disponible aquí
Sistema de energía solar con los componentes de un ciclo de arriba.

Sistema de energía solar con los componentes de un ciclo de arriba.

Alcance del proyecto.El objetivo de este proyecto es montar e instalar un sistema de energía solar solo de soporte (foto fotovoltaicas o PV). Mi objetivo es correr 2 bombillas de LED en accesorios en mi banco de trabajo y carga/mantener mis pilas de
Sistema de Login Batchfile simple con barra de carga

Sistema de Login Batchfile simple con barra de carga

aquí que estamos compartiendo el archivo por lotes para el sistema de login con barra de carga.Mostraremos que el código y también muestra cómo utilizar.También puede visitar nuestro blog para más códigos de archivo por lotes.FFLocker 1.0: http://err
Increíble swing de la década de 1950 las faldas círculo una bola con enaguas preciosos. ROCKABILITY!

Increíble swing de la década de 1950 las faldas círculo una bola con enaguas preciosos. ROCKABILITY!

HI there!Este es mi primer post en Instructables, así que espero im haciendo esta bien!Estoy en mi último año en la Universidad y el tema para el final de la bola de año fue 1950. Así que yo (y mis amigos) decidieron que sería una buena idea para hac
Diseño 3D impreso polea de arrastre de cadena de bolas con cuentas paso a paso Motor NEMA 17 en TinkerCAD

Diseño 3D impreso polea de arrastre de cadena de bolas con cuentas paso a paso Motor NEMA 17 en TinkerCAD

En este instructable, voy a explicar cómo diseñar una polea de transmisión de cadena de bola moldeada impresa 3D que trabaja con el Motor de pasos NEMA 17.En uno de mis proyectos en la clase CMSC838F en la Universidad de Maryland (impartido por el Pr
Aparador de bolera con almacenamiento de vino

Aparador de bolera con almacenamiento de vino

Aquí es cómo tomar algunos pedazos de viejo bowling alley y convertirlos en unos hermosos muebles. Estos bolos son generalmente hechas de arce duro y puede ser utilizados para cualquier cosa.Paso 1: Preparación para la bolera Los bloques que he encon
Molino de bolas con partes de una impresora: 3 approcahes

Molino de bolas con partes de una impresora: 3 approcahes

este molino de bola se hace con partes de una impresora de inyección de tinta. Hacer tres enfoques.1. radial2. axial3. excéntrico
Soporte de sistema de video vigilancia solo con frambuesa Pi

Soporte de sistema de video vigilancia solo con frambuesa Pi

Este tutorial describe cómo construir un soporte de sistema de videovigilancia solo basado en Raspberry Pi.Vamos a utilizar una cámara de Pi de frambuesa que continuamente grabar el vídeo en una unidad flash usb. Esto crea archivos de vídeo de 15 min
Sistema de timbre automático con detección de objetos

Sistema de timbre automático con detección de objetos

este es uno de los circuitos muy interesantes y muy útiles en nuestra vida real llamado "Sistema automático de llamada de timbre". Si instalamos este timbre automático con circuito de detección de objeto, el circuito automáticamente detectará la
Sistema de altavoces portátil con iPod Touch dock

Sistema de altavoces portátil con iPod Touch dock

mientras que en viajes largos familias traemos a lo largo de nuestra Netbook o Laptop con el uso como un sistema de entretenimiento portátil. Más a menudo un par de auriculares no es suficiente. Yo también Prefiero tener un juego decente de altavoces
Hacer bolas con papel reciclado de semillas

Hacer bolas con papel reciclado de semillas

Bombas de semillas son una gran manera de un lote de semillas para cultivar un huerto o separarse en campos rápidamente de la planta. Son una divertida manera de probar tu destreza en la jardinería sin mucho trabajo de preparación y se puede sembrar
Sistema de tiempo y asistencia con frambuesa y Phidgets

Sistema de tiempo y asistencia con frambuesa y Phidgets

En este tutorial vamos a crear un tiempo fácil y sistema de asistencia con un Raspberry Pi y Phidgets RFID de lectura y escritura.Vamos a utilizar una página web para mostrar la hora actual, y un mensaje de confirmación para los empleados y todos los