Paso 4: Prototipo: hacer el circuito



- Averiguar lo que quiere de antemano y elaborar un circuito que funcione como eso.
- Hacer algún sonido e iniciar intuitivamente cómo añadir y eliminar componentes sin embargo se siente.
Sorprendentemente, el segundo enfoque funciona muy bien a veces. El primer Nandhopper hice sucedió de esa manera, y creo que es lo más interesante. Por desgracia, si haces cosas de la segunda manera sería realmente difícil conseguir el circuito de la placa y en el chip. Cuando ponen todo en los cambios de capacitancia chip un poco entre todo, así que nada de lo que es ajustado puede no funcionar ya.
El primer enfoque es mucho más predecible y repetible, así que voy a describir dos diseños que han llegado desde esa perspectiva.
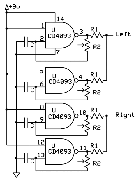
Una distribución a cada una de las cuatro puertas NAND utiliza como sintetizadores independientes de onda cuadrada. En mi experiencia, no son verdaderamente independientes y siempre hay algún tipo de salida entre los canales, que pueden hacer cosas realmente interesantes. Cada par de puertas se mezcla en una de las salidas estéreo.
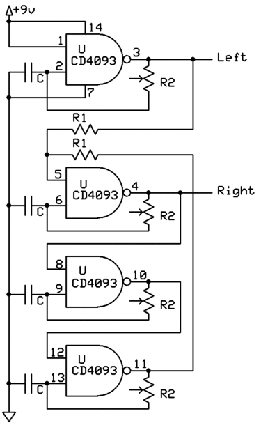
El otro diseño utiliza dos etapas: un oscilador conduce, que siempre se está ejecutando, y tres osciladores atascado en un bucle de retroalimentación circular/triangular. Es el breadboarded aquí.
Elige uno de estos, o diseñar su propio o improvisar su propia, según la oreja.