Sensor de pulso de Arduino DIY (5 / 9 paso)

Paso 5: Amplificador de transimpedancia

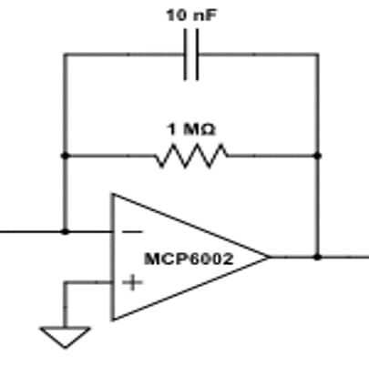
La siguiente parte de nuestro circuito es lo que se conoce como un amplificador de transimpedancia o convertidor de corriente a voltaje. Un amplificador de transimpedancia es una configuración de amplificador que nos permite convertir una corriente a una tensión. En nuestro caso, la corriente producida por el fotodiodo atraviesa el resistor en el circuito de retroalimentación del amplificador operacional. Vamos a ver un voltaje a la salida del amp op con arreglo a la ley de Ohm, V = I * R. La corriente producida por un fotodiodo puede ser bastante pequeña (micro amperes), así que por esta razón que estamos utilizando una resistencia tan grande (1 MOhm) como la resistencia de ajuste de ganancia. Una alta resistencia de ganancia como es típica para los amplificadores de transimpedancia. El condensador en el circuito de retroalimentación ayuda a reducir el ruido de alta frecuencia.

Artículos Relacionados

Sensor de Color de Arduino DIY

Sensor de Color de Arduino DIY

Como hacer un Sensor de Color de Arduino DIYPaso 1: partes 4 Leds (verde, azul, rojo, amarillo)resistencia de 4 220 ohmios1 LDRresistencia de 10 1 kPasadores hembraPCBPaso 2: Cortar el PCB Su diseño de la PCB de la forma. Entonces cortó él. Usé 3,5 c
Sensor de pulso ambiente Arduino casero

Sensor de pulso ambiente Arduino casero

Vi Open Hardware Sensor de pulso en el pensamiento que intentaría hacer en casa. Me llevó un rato, pero aquí está mi proceso de torpe.Paso 1: Sensor de pulso - ResumenHe estado trabajando en volver a hacer el Sensor del pulso del Hardware abierto por
Sensor de pulso de Arduino

Sensor de pulso de Arduino

Este es mi primer proyecto publicado aquí, un arduino pro mini tablero con Sensor de pulso.Aquí les mostraré cómo hice mi arduino cableado y codificación, incluyendo el código fuente y esquemas. También código de una herramienta de windows para mostr
Sensor de temperatura de Arduino DIY

Sensor de temperatura de Arduino DIY

este instructable le mostrará cómo construir un sensor de temperatura compatible con placas Arduino, que se pueden utilizar para distintos proyectos de viviendas. También muestra una aplicación simple, en el que el sensor de DIY se utiliza para hacer
Pulso Sensor con Bluetooth y Arduino

Pulso Sensor con Bluetooth y Arduino

Esto proyectos pretende utilizar el sensor del pulso (que es fácilmente disponible ahora) con arduino uno y módulo Bluetooth HC-05, el sensor del pulso se coloca en el dedo y mide la frecuencia cardíaca y luego envía el pulso al móvil android mediant
Pulso de Arduino Sensor Cardio gráfico

Pulso de Arduino Sensor Cardio gráfico

La aplicación de Arduino pulso Sensor Cardio gráfico ilustra corazón beat información en forma gráfica. La aplicación muestra gráficos de variación de ritmo cardíaco diferente: latidos por minuto (BPM), intervalos Interbeat (IBI), frecuencia cardiaca
Sensor de pulso LED (PPG) para Arduino

Sensor de pulso LED (PPG) para Arduino

Dentro de este Instructable te mostraré, cómo implementar un simple sensor PPG (photoplethysmogram) para arduino. Este dispositivo utiliza luz infrarroja para medir pulso usted. Puede conocer esta técnica de los sensores del pulso de la yema del dedo
Latido del corazón para el sensor de pulso + ESP8266

Latido del corazón para el sensor de pulso + ESP8266

Como parte de un deseo de aprender sobre ESP8266 independientePensé en un proyecto para conectar sensor de pulso y transmitir el BPM al ordenador mediante conexión TCP.Durante la construcción, me encontré con algunos problemas.Los problemas por mi op
Monitor de pulso de Arduino de homebrew (visualizar su latido del corazón)

Monitor de pulso de Arduino de homebrew (visualizar su latido del corazón)

películas ven cool con los EKG (electrocardiograma), que emite y detecta actividades de corazón. Hace unos meses tuvimos que rodar una escena de hospital para nuestro proyecto de escuela. Necesitábamos un instrumento de EKG. Para mantener la película
Empezar a trabajar con sensores de distancia y Arduino

Empezar a trabajar con sensores de distancia y Arduino

Se trata de una guía de inicio para el uso de sensores de distancia con Arduino y algunos procesamiento. Hemos utilizado estos sensores:GP2Y0A21YK0F SHARPUnidad de Sensor de medición de distanciaCompuesto por una combinación integrada de PSD (detecto
Cola de control de Sensor de pulso

Cola de control de Sensor de pulso

Hey todo el mundo!Este Tutorial irá a través de los pasos de cómo crear su propio animatronic cola! He visto colas de aimatronic muchos que ya sea controlada por un control remoto o fije con un código de barrido continuo, me decidí a hacer mi cola qu
Plumbob Sensor de pulso

Plumbob Sensor de pulso

mi final para mi clase de Multimedia Digital encontramos un instructable nos gustó y había que crear algo similar con nuestro toque original.En este sitio encontré a un Señor que ha creado su propia versión de los Sims Plumbob. (abajo está el enlace
LilyPad y sensores de pulso: la experiencia de otros cuerpo

LilyPad y sensores de pulso: la experiencia de otros cuerpo

He creado y la instalación interactiva dirigida a esclarecer en cuerpo avergonzar.Mi objetivo era hacer la experiencia participante tener un cuerpo diferente de su, así había alterado un chaleco salvavidas y presentado con arena, lo que es peso 4,2 k
Sensor de pulso de San Valentín

Sensor de pulso de San Valentín

basándose en el trabajo de otros, se me ocurrió este pequeño dispositivo ir a medir mi ritmo cardíaco. Ahora, sabía que fue apropiado ir a hacer en forma de un corazón de LEDs y así lo hice. No tener ninguna plantilla, estaba bastante desorientado. U