



El sensor de temperatura se basa en el chip de Maxim DS600U+. Tiene precisión de ±0. 5 ° C. Puede suministrarse desde 2.7V a 5.5V.
«Temperatura analógico DS600 el sensor mide la temperatura propia y proporciona estas mediciones a la
usuario en la forma de un voltaje de salida, VOUT, es proporcional a la grados centígrados. La tensión de salida
característica es calibrado en fábrica para una ganancia típica de salida (ΔV/ΔT) + 6.45mV / ° C y un desplazamiento de DC (VOS) de 509mV.
Su rango de temperatura es-40 ° C a + 125 ° C, correspondiente a un rango de voltaje de salida de 251mV a
1315mV. (VOUT = dispositivo temperatura (° C x ΔV/ΔT) + VOS)." - DS600U + hoja de datos.
El comportamiento de la temperatura de la viruta puede verse en la fotografía.
El chip no requiere ningún dispositivo adicional. He añadido solo un capacitor de filtrado entre el
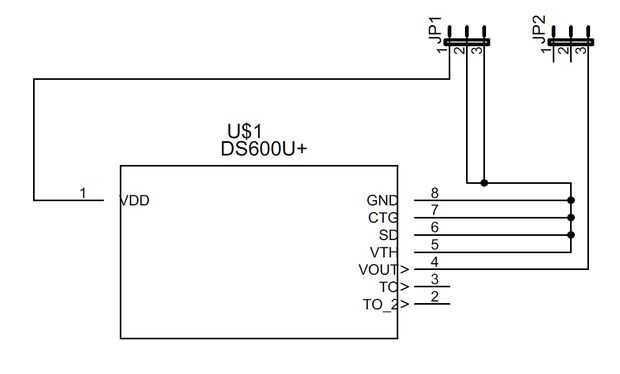
carriles de la energía. El esquema y la Junta del sensor se presentan en los cuadros. También están disponibles para su descarga.
El único necesita piezas para el sensor:
1 x DS600U+ chip - Integrado Maxim
1 x 10uF condensador de tantalio SMD - no obligatorio
Jefe del perno 1 x 6