Paso 20: Esquemas de circuitos





Manual de reparacion y protoboard
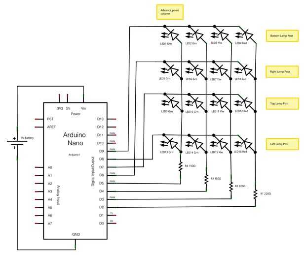
La primera foto es el esquema del circuito. Si no sabes cómo leer un esquema, puede ser sabio encontrar un sitio web o libro que puede ayudarte. Notas sobre la imagen le ayudará.
Para aquellos que quieren renunciar a la parte entera de LEGO de la construcción, he incluido un diseño de tablero del semáforo de la intersección de T.
La tercera imagen es un primer plano de un Arduino Nano, para que se familiarice con el esquema de los terminales, que hará que los pasos siguientes más fácil de entender.
Usted puede aprender más sobre el nano aquí: http://www.arduino.cc/en/Main/ArduinoBoardNano
Para los que le gustaría construir una intersección de la Cruz, he incluido un diseño esquemático y la placa para así. Apenas cabe en una sola placa.
Matriz de LED
Mira de cerca el esquema y verás que los LEDs están dispuestos en una matriz. Esto es aún más evidente en el esquema de intersección de la Cruz. El Nano tiene suficientes pines de entrada/salida para conducir directamente 10 LEDs todos, pero es una matriz puede reducir el número de pines de salida que se necesitan. Para la intersección de T, siete pines de salida operan 10 LEDs; para la intersección de la Cruz, ocho pernos coche 16 LED. (Eso deja pines extras para agregar un botón más adelante a modos de cambio, así como añadir luces de cruce de peatones. Estas son sólo ideas, no he programado nada aún).
Persistencia de la visión
Con la matriz, se puede encender solamente un sistema de luces de tráfico en un momento.
Con persistencia de la visión, podemos engañar el ojo en el pensamiento de que las tres luces de tráfico están siendo iluminadas al mismo tiempo. En primer lugar, se enciende la luz izquierda de tráfico para un pequeño momento de tiempo, entonces uno en la parte superior de la T y luego la derecha. Repita este ciclo lo suficientemente rápido y va a aparecer a la vista que todos los semáforos están en al mismo tiempo.
Las tres luces que se vuelva a encender al menos 60 veces por segundo para engañar el ojo. Esto se denomina una tasa de refresco. (En el video en la página introducción, 60 veces por segundo no lo suficientemente rápido como para engañar a la cámara de video: parecen parpadear.)
Hay 1000ms (milisegundos) en 1 segundo: 1000 / 60 es aproximadamente de 16ms. Todos los mensajes de lámpara tres deben activarse dentro de 16ms. Cálculo de 16ms 3 postes de la lámpara es de aproximadamente 5 ms. Cada poste de la lámpara se iluminará de 5ms a 16ms, 60 veces cada segundo.
El número 5 aparece en el código como la constante DISPLAY_PERIOD. Hacer más grande ese número y usted comenzará a ver las luces parpadean.
Para una intersección en forma de Cruz, 16ms / 4 postes de la lámpara es 4ms.
Operación de matriz
Los cables que van a las resistencias son las líneas de impulsión. Cuando las líneas del coche son todos en el suelo, cero voltios, no se enciende ningún LED. Si hacemos una lógica positiva, alto voltaje de la línea, nos estamos conduciendo ese poste de luz.
Las líneas del cátodo son el reverso de las líneas de impulsión. Normalmente estos serán lógica tensión alta y positiva. No se encenderá un LED que recibe tensión positiva en ambos pines: corriente no puede fluir. Una de las líneas de cátodo hacia lógica baja, o cero voltios, corriente puede fluir desde el ánodo positivo a través del LED al cero cátodo voltaje: encenderá para arriba. A través del software podemos controlar cada LED a su vez.
(Actual realmente fluye de negativo a positivo, pero 's más simple de pensar en ello desde el terminal positivo de la batería, a través del LED, a la terminal negativa de la batería.)