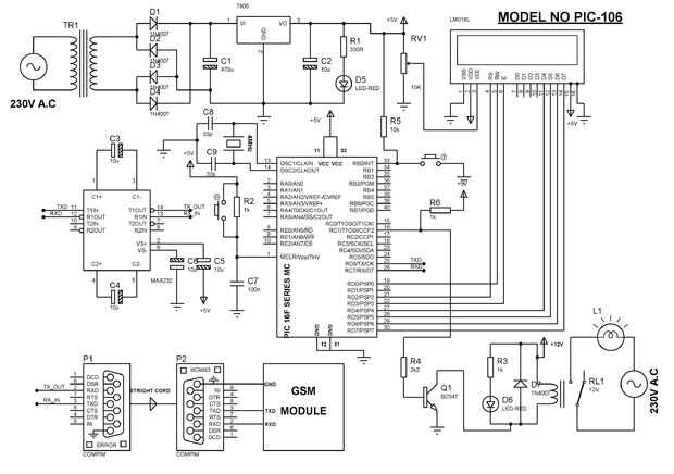
Seguridad de los vehículos con GSM (5 / 6 paso)

Paso 5: Diagrama del circuito

Artículos Relacionados

Una alarma de respaldo de vehículo con un Reseting auto deshabilitar botón

Una alarma de respaldo de vehículo con un Reseting auto deshabilitar botón

En un momento estaba encargado de mantener la seguridad de una flota de vehículos grandes, difíciles de manejar. Pensé que poner respaldo alarmas en los carros aumentaría la seguridad de todos durante maniobras en el estacionamiento, pero odiaba a es
LEGO Power funciones de vehículo (con Video)

LEGO Power funciones de vehículo (con Video)

este es el segundo vehículo de control remoto funciones de energía de Lego que he subido a Instructables. Si no has visto mi primer one(a tank), aquí está el enlace. Puesto que éste utiliza neumáticos de goma grande en vez de pistas, es mucho más ráp
Añadir poder de 120v a su vehículo con un convertidor

Añadir poder de 120v a su vehículo con un convertidor

Esta guía se recomienda como suplemento para el manual incluido con su inversor de corriente. Siempre debe leer los manuales que vienen con su equipo.Inversores de la energía son una gran adición a cualquier vehículo, si vas en un viaje son un must!I
Cómo consigo mismo equilibrar una estructura o vehículo con un giroscopio

Cómo consigo mismo equilibrar una estructura o vehículo con un giroscopio

En este vídeo os presento algunas lecciones aprendidas sobre cómo equilibrar una estructura o vehículo (por ejemplo una bicicleta) con un giroscopio mecánico. En él os muestro cómo he construido una estructura para sostener un giroscopio de juguete p
¿Cómo avanzar tecnología de evitación de colisión funciona en los vehículos?

¿Cómo avanzar tecnología de evitación de colisión funciona en los vehículos?

* El sensor de radar y visión hacia atrás la cámara es el corazón de esta tecnologíaVisita mi web para mas cosas interesantes www.electronicslovers.com* Sensor tiene cuatro elementos de la matriz de antena la función de la antena es transmitir las on
KVG extraño vehículo con dirección

KVG extraño vehículo con dirección

es una división de KVG con dirección.Paso 1: carrocería Paso 2: dirección Paso 3: asiento Paso 4: montaje these pictures are not in order sorry
Vehículo de WipEout flotante real

Vehículo de WipEout flotante real

después de jugar uno de mis clásicos favoritos en PS one,WipEout, me di cuenta cómo puedo hacer uno. Aquí está un paso a pasoCómo hacer uno.Paso 1: materiales Hay muy pocos materiales que utilizaremos:-azufre hexafluoruro (o cualquier tipo de gas pes
Hackear su vehículo BUS CAN con Arduino y Seeed CAN-BUS escudo

Hackear su vehículo BUS CAN con Arduino y Seeed CAN-BUS escudo

Todos los vehículos modernos vienen equipados con un BUS CAN Controller Area Network, en lugar de tener 1 millón cables corriendo detrás y adelante de varios dispositivos en su coche a la batería, su haciendo uso de un sistema más inteligente.Todas l
Vehículo alimentado con trampa de rata

Vehículo alimentado con trampa de rata

en mi clase de ingeniería, nos divide en equipos y la tarea con el proyecto de creación de rata vehículos trampa accionada. Nos dieron un tiempo de aproximadamente dos semanas. Luego tuvimos dos competiciones entre los otros equipos.La primera fue un
Vehículos de cero emisión para personas discapacitadas con energía solar

Vehículos de cero emisión para personas discapacitadas con energía solar

Calentamiento Global es el factor principal que muestra un signo de interrogación en las vidas de los seres humanos, animales etc.. Para superar este efecto es necesario introducir el "vehículo ecológico". Esto está particularmente para personas
Cómo hacer un vehículo de la todo-dirección con ruedas de Mecanum

Cómo hacer un vehículo de la todo-dirección con ruedas de Mecanum

El vehículo de la todo-dirección está equipado con cuatro ruedas de Mecanum. La parte cool de este vehículo es la flexibilidad de moverse en cualquier dirección manteniendo a sí mismo en una dirección constante. Se logra con la estructura especial de
Vehículo eléctrico ligero: Uno de pasajeros a 15 millas por hora, peso en vacío # 210

Vehículo eléctrico ligero: Uno de pasajeros a 15 millas por hora, peso en vacío # 210

Había diseñado y construido este divertido y exitoso vehículo eléctrico ligero hace varios años. Yo ahora estoy publicando en "Instructables" y añadir más pasos, detalles de la construcción, en las próximas semanas.Utilice el enlace a mi espacio
Un chasis de vehículo de 3 ruedas de ingeniería

Un chasis de vehículo de 3 ruedas de ingeniería

Mi proyecto Universidad era extremadamente ambicioso. En el transcurso de un año (2011), yo y otros tres estudiantes de ingeniería mecánica había diseñado y fabrican un chasis de automóvil de carrera solar completa incluyendo el marco, suspensión, ej
Dispositivo de Get-Away de vehículos

Dispositivo de Get-Away de vehículos

Miles de vehículos se reportan robados cada año. En Australia solamente, 53.450 vehículos fueron robados entre los años 2013-2014. Un promedio por lo menos 146,4 vehículos por día de luz / comerciales de vehículos, motocicletas y otros.Haga clic en l