Observe que los resistores 0805 envases, aunque 0603 también encajará perfectamente bien. Deben ser 1/16 Watts o mayor. Tenga en cuenta que todos los condensadores, a menos que se especifique lo contrario, son condensadores de cerámica de la viruta en embalaje 0805 (o 0603 desde también encajará perfectamente bien). Deben ser clasificados 16V o mayor.
Esta guía de montaje también contiene algunas notas acerca de las distintas áreas en el circuito.
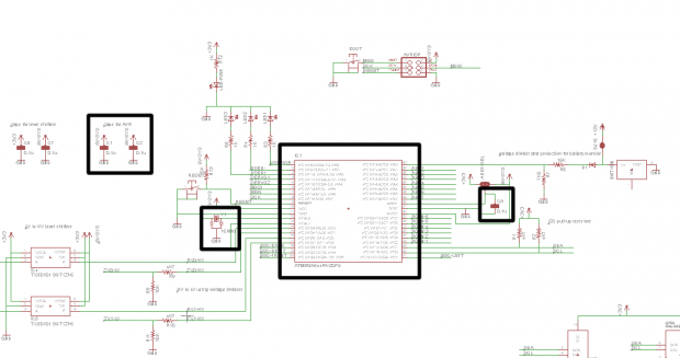
Microcontrolador


El ATmega644PA obviamente debe ser instalado, de la soldadura en una 40 pin DIP socket por lo que son capaces de reemplazar el IC si es necesario.
Los ATmega644PA requiere de un resonador de 16 MHz.
Debe soldar C1 y C2, que son de 0,1 uF condensadores de desacoplamiento para la ATmega644PA. También la soldadura C9 que es un 0.1 uF desemparejamiento del condensador para la referencia analógica.
En la parte inferior del tablero, hay una huella con "AREF-SEL", que le permite elegir el voltaje de referencia analógica por soldadura sobre los 5V con almohadillas o 3V3. También se puede utilizar aquí una resistencia de 0 ohmios, o un grano de ferrita. Nota que AVCC está siempre conectado a 5V.
Áreas de apoyo de microcontrolador


El interruptor de reset debe estar instalado, R13 10 K ohmio es la resistencia de pull-up para el interruptor de reinicio. Este resistor es opcional porque el ATmega644PA tiene una resistencia de pull-up incorporado en el pin de reset. Se debe instalar si no confías a la resistencia incorporada.
Un botón etiquetado "Bota" puede instalarse sólo si está utilizando un bootloader de Arduino-estándar. Personalmente odio el funcionamiento de bootloaders "sensible al tiempo". Este botón está activo baja y conectado a PB6 en el ATmega. Asegúrese de habilitar las resistencias pull-up internas para este botón.
La cabecera del ISP (etiquetada AVRISP) debe instalarse si usted necesita usar un programador AVR (tal vez para cargar el gestor de arranque para la primera vez, etc.). La línea larga en el lado indica el lado que el "hilo rojo" (también del pin 1) del cable debe ser, y la línea corta en la parte inferior indica donde debe estar la muesca del conector.
Indicadores del LED

LED1, LED2, LED3 son LEDs de 3 mm, elegir sus propios colores. Puede montarse vertical u horizontalmente (señalando). Por favor observe la polaridad indicada por la forma del agujero y serigrafía. R3, R4 y R5, son todos 1 K resistencias de ohm para limitar la corriente a estos LEDs.
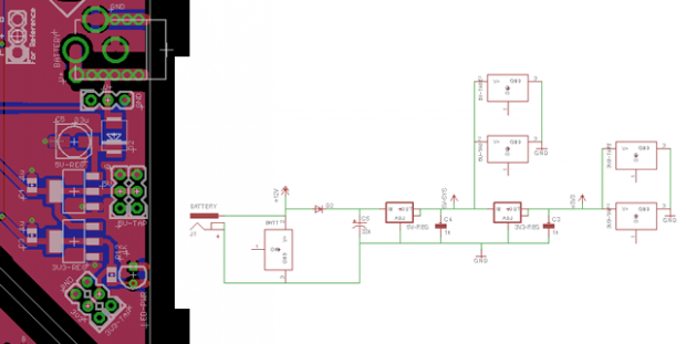
Fuente de alimentación

La soldadura de un regulador LM1117 3V3 SOT-233-3 envases donde se indica en la placa. También la soldadura del C3 que lo acompaña, que es 1 uF.
LED PWR es un 3 mm LED que indica que hay energía en el bus de alimentación 3V3. Se puede soldar esta verticalmente o hacia los lados (señalando). R12 es la resistencia limitante actual de 1 K ohm para este LED.
Dos filas de 3 cabeceras macho pin deben ser instaladas en "3V3-TAP", estos encabezados proporcionan acceso al bus de alimentación 3V3. Dos filas de 3 cabeceras macho pin deben ser instaladas en "5V-TAP", estos encabezados proporcionan acceso al bus de alimentación de 5V "SYS".
Si se alimenta este circuito de una batería, debe instalar un regulador de 5V LM1117 en SOT-233-3 envases donde se indica en la placa. Esto puede omitirse si utiliza el CES como la fuente de alimentación (Asegúrese de ajustar correctamente el SJ1), o en otras circunstancias que están bajo.
El 1 uF capacitor C4 debe soldarse siempre independientemente de si está utilizando un regulador de 5V.
La entrada de energía de batería se utiliza si necesita conectar una batería. Hay cuatro maneras de hacer esto:

- Usando a un conector de barril
- Soldar el cable directamente sobre el PCB (puede ampliar algunos orificios para actuar como retenedor)
- utilizando un terminal de tornillo
- Utilizando un cabezal de 3 pines
Un diodo carnoso debe instalarse en D2 para proteger el circuito de una batería conectada al revés (lo omite este diodo Si usted cree en su propia competencia, debe puente las almohadillas de la huella de diodo con soldadura si se omite este diodo). Este debe ser un diodo que puede manejar 20V de voltaje inverso y manejar 1,5 a de corriente directa. La huella es SMB o similar.
C5 y C6 son aluminio electrolítico 5,3 x 5,3 mm condensadores que se deben instalar, la soldadura en la orientación correcta según la polaridad.
Entrada RC

Pins de PORTC PC7 a PC2 están conectados a encabezados de 6 x 3, de la soldadura en varones jefes aquí. Estos se dedican a tomar señales de pulso RC de su receptor RC. La tensión para el pasador central se puede conectar a 5V o 3V3 usando SJ2 y recuerda que hay un "5V-TAP" y "3V-TAP" Si su receptor necesita energía del cable un 7.
Importante: Si selecciona V-RC con SJ15 (para usar la misma tensión que utilizan las entradas RC) y seleccionó 3V3 con SJ3, entonces no debe utilizar SJ17 para seleccionar nada. Ello hará que la fuente de 5V para unirse con la fuente de 3c3, que puede causar daño a los dispositivos de 3V3.
Sensores de

La soldadura de R1 y R2, que son resistencias de 4 K 7 de pull-up para el bus I2C. Asegúrese de que desactivar resistencias pull-up interna en el software (Nota: ya hecho para tí en mi software modificado). Esto le permite usar sensores I2C de 3V3 sin utilizar un desplazador de nivel.
Instale un tablero de arranque BMA180 acelerómetro y una ITG-3200 girocompás breakout Junta, ambos de SparkFun.
También puede instalar un tablero de arranque sensor barométrico BMP085 y un tablero de arranque brújula HMC5842. Estos son opcionales y usted puede configurar el software para usarlos para mantener altitud y brújula-heading-hold.
Salidas a motores y Servos

Cuatro conjuntos de cabeceras macho 3 pines deben soldar cerca de etiquetas de 'ESC', estas son las conexiones para la señal de pulso RC estándar CES. SJ1 puede utilizarse para conectar la tensión suministrada por el CES para el bus principal del sistema de alimentación. (nota, para este instructable, conecte por favor SJ1)
Puertos seriales

Hay unos dispositivos de puerto serie posible. El ATmega644PA tiene dos puertos serie, USART0 y USART1, se etiquetan SER0 y Pitx1 en el PCB.
Uso horizontal montaje encabezados macho para la conexión del cable FTDI. Esta conexión siempre funciona con 5V, RX y TX a nivel de 5V. Utilice SJ9 y SJ10 para decidir si conectarse esta SER0 o SER1. (nota, para este instructable, seleccione SER0)





![Control remoto de 2 canales sin IC [bueno para helicópteros!]  Control remoto de 2 canales sin IC [bueno para helicópteros!]](https://foto.askix.com/thumb/170x110/2/bf/2bf78721622eb49c1924bf372dc2a9ad.jpg)







